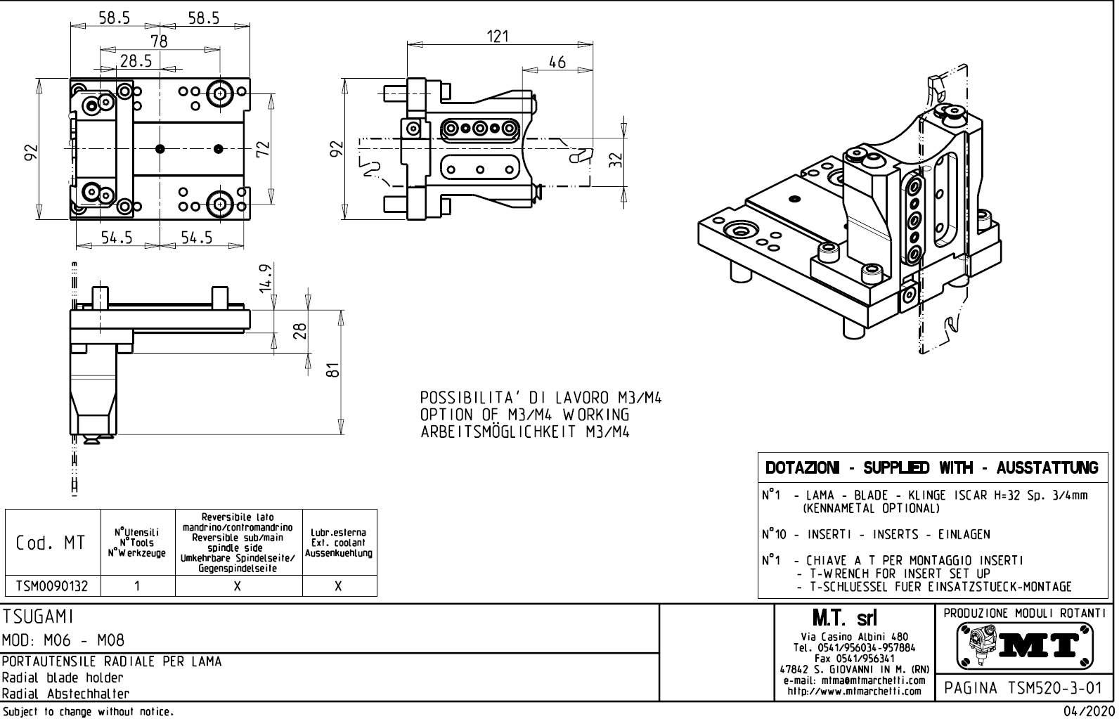
Radiální pevný držák nástrojů pro vnější zapichování a upichování:
- venkovní přívod řezné kapaliny.
- pro upnutí planžet.
Určeno pro stroje:
- Tsugami - série M06 / M08

Pro stažení souboru se prosím přihlašte. Pokud nemáte účet tak se nejprve registrujte.