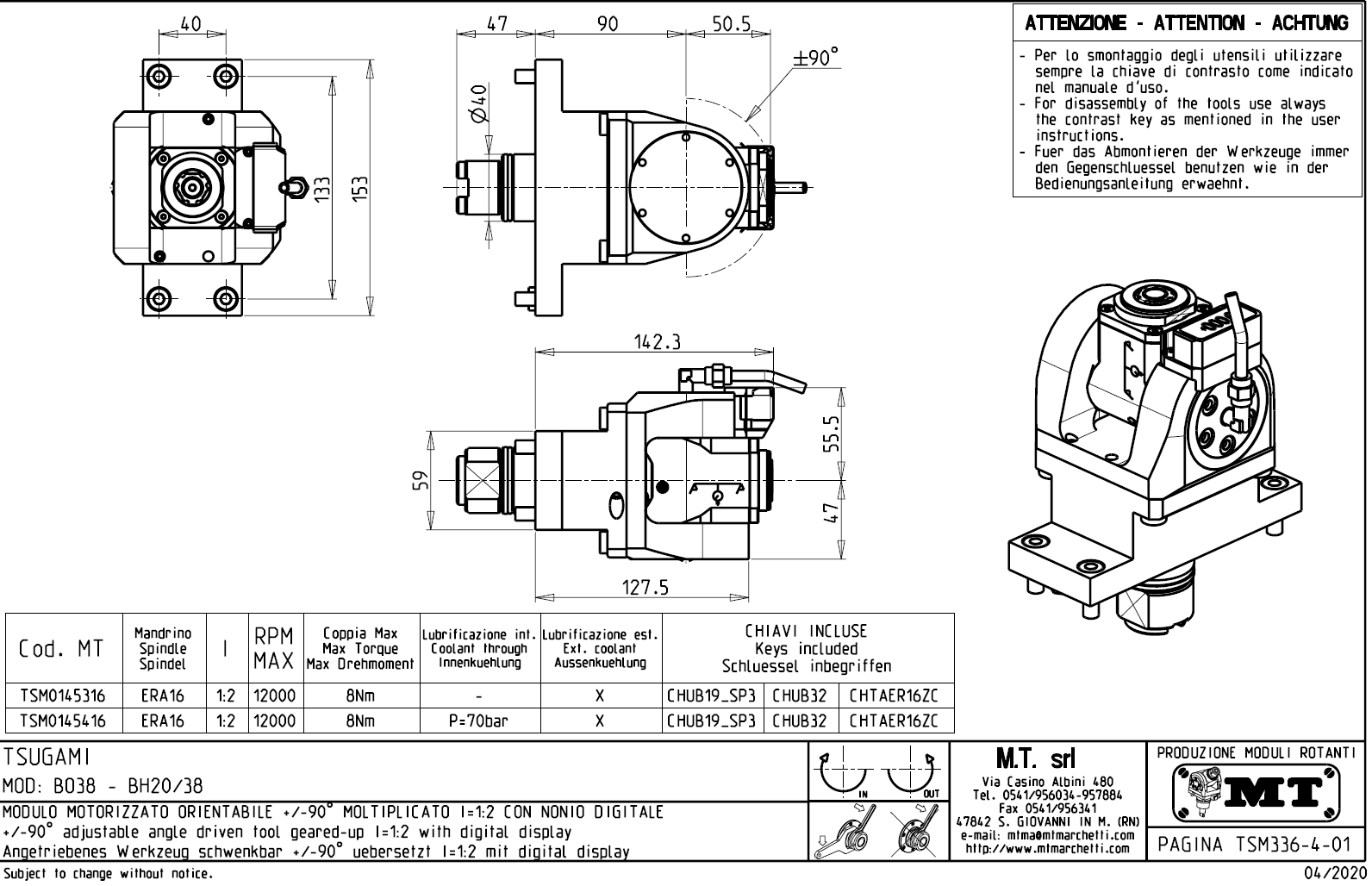
Úhlově nastavitelný rotační držák nástrojů:
- max. 12.000 ot./min..
- převod 1:2.
- vnitřní (max.70bar) a venkovní přívod řezné kapaliny.
- upnutí nástroje pomocí: kleštiny ER / ERA.
Určeno pro stroje:
- Tsugami - série B038
- Tsugami - série BH20 / 38

Pro stažení souboru se prosím přihlašte. Pokud nemáte účet tak se nejprve registrujte.