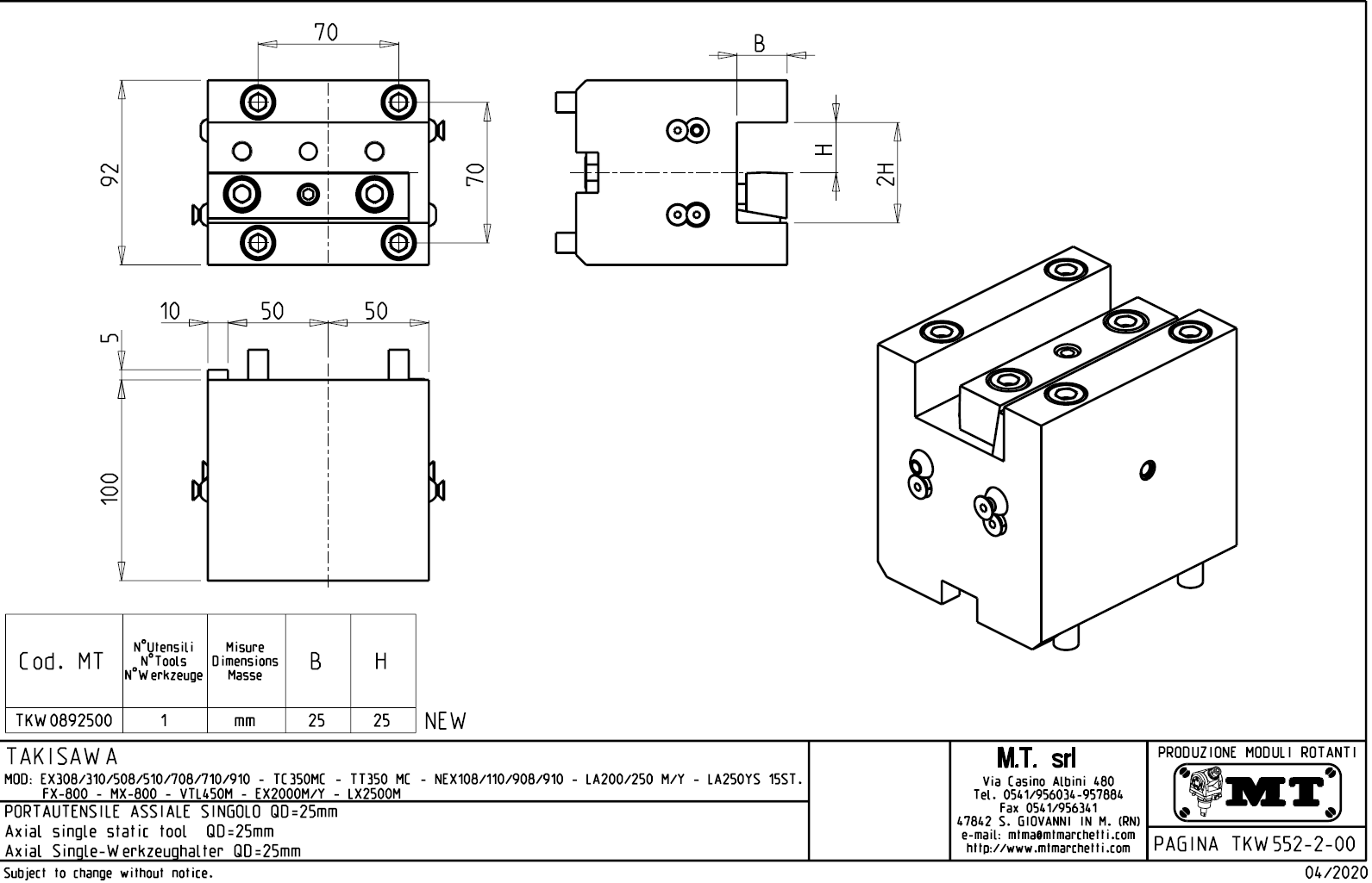
Axiální pevný držák nástrojů pro vnější a čelní soustružení:
- venkovní přívod řezné kapaliny.
- pro upnutí vnějších a čelních nožů.
Určeno pro stroje:
- Takisawa - série EX 308 / 310 / 508 / 510 / 708 / 710 / 910
- Takisawa - série TC 350 MC
- Takisawa - série TT 350 MC
- Takisawa - série NEX 108 / 110 / 908 / 910
- Takisawa - série LA 200 / 250 M / Y
- Takisawa - série LA 250 YS s 15-ti polohovou hlavou
- Takisawa - série FX-800 / MX-800
- Takisawa - série VTL 450 M
- Takisawa - série EX 2000 M / Y
- Takisawa - série LX 2500 M

Pro stažení souboru se prosím přihlašte. Pokud nemáte účet tak se nejprve registrujte.