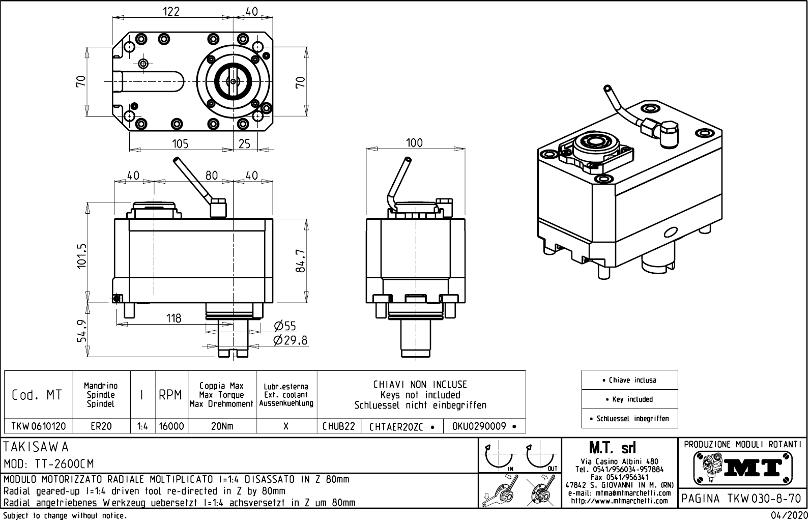
Radiální rotační držák nástrojů:
- max. 16.000 ot./min..
- převod 1:4.
- venkovní přívod řezné kapaliny.
- upnutí nástroje pomocí: kleštiny ER / ERA.
Určeno pro stroje:
- Takisawa - série TT-2600CM

Pro stažení souboru se prosím přihlašte. Pokud nemáte účet tak se nejprve registrujte.