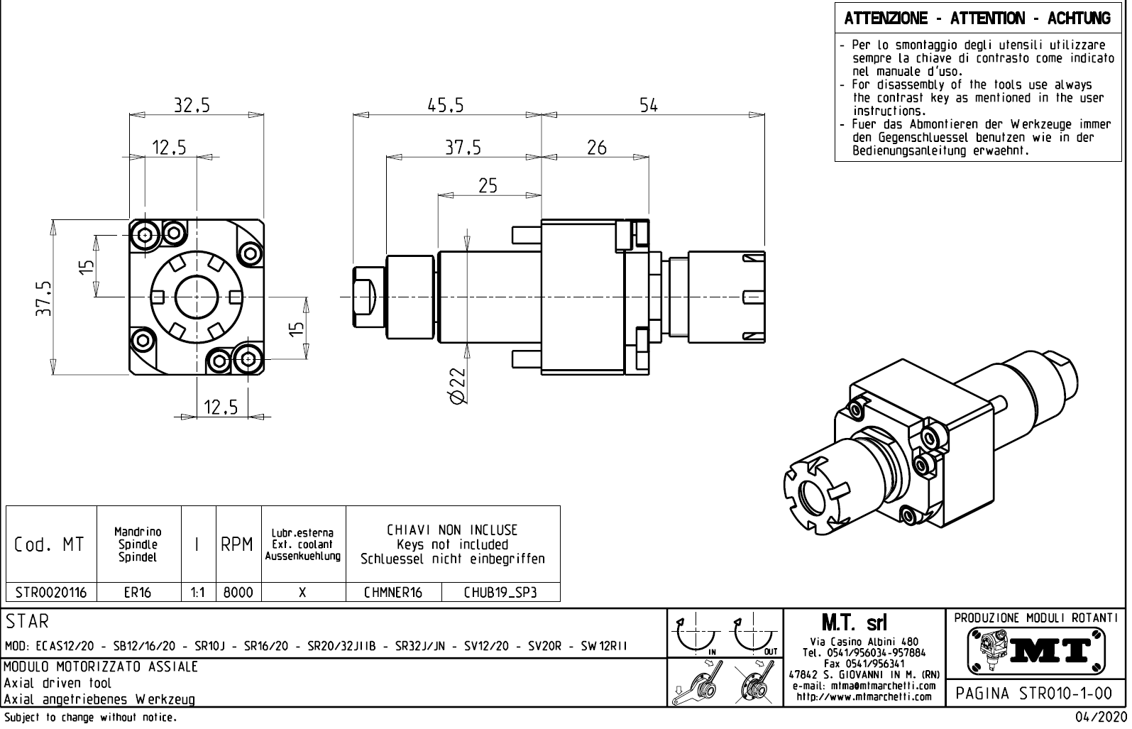
Axiální rotační držák nástrojů:
- max. 8.000 ot./min..
- převod 1:1.
- venkovní přívod řezné kapaliny.
- upnutí nástroje pomocí: kleštiny ER / ERA.
Určeno pro stroje:
- Star - série ECAS 12 / 20
- Star - série SB 12 / 16 / 20
- Star - série SR10J
- Star - série SR 16 / 20
- Star - série SR 20 / 32 JIIB
- Star - série SR 32 J / JN
- Star - série SV 12 / 20
- Star - série SV 20 R
- Star - série SW 12 RII

Pro stažení souboru se prosím přihlašte. Pokud nemáte účet tak se nejprve registrujte.