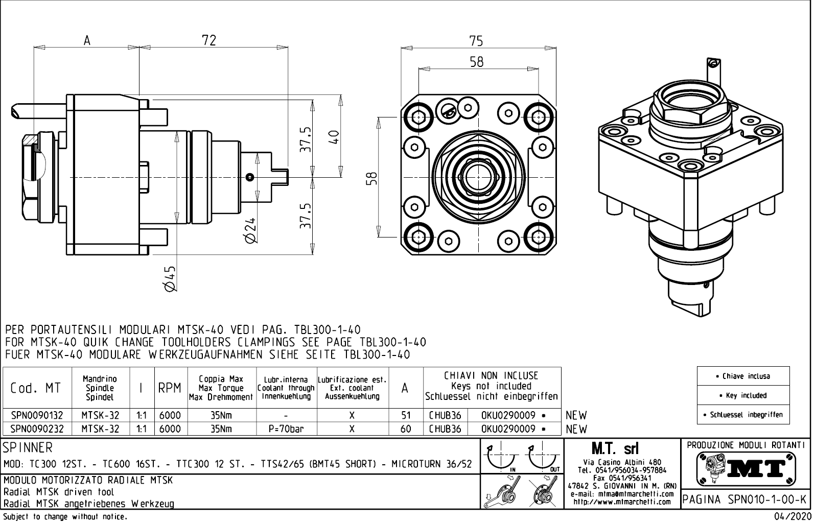
Radiální rotační držák nástrojů:
- max. 6.000 ot./min..
- převod 1:1.
- vnitřní (max.70bar) a venkovní přívod řezné kapaliny.
- upnutí nástroje pomocí: rychlovýměnného modulárního systému MTSK.
Určeno pro stroje:
- Spinner - série TC300 s 12-ti polohovou hlavou
- Spinner - série TC600 s 16-ti polohovou hlavou
- Spinner - série TTC300 s 12-ti polohovou hlavou
- Spinner - série TTS42/65 (BMT45 SHORT)
- Spinner - série MICROTURN 36/52

Pro stažení souboru se prosím přihlašte. Pokud nemáte účet tak se nejprve registrujte.