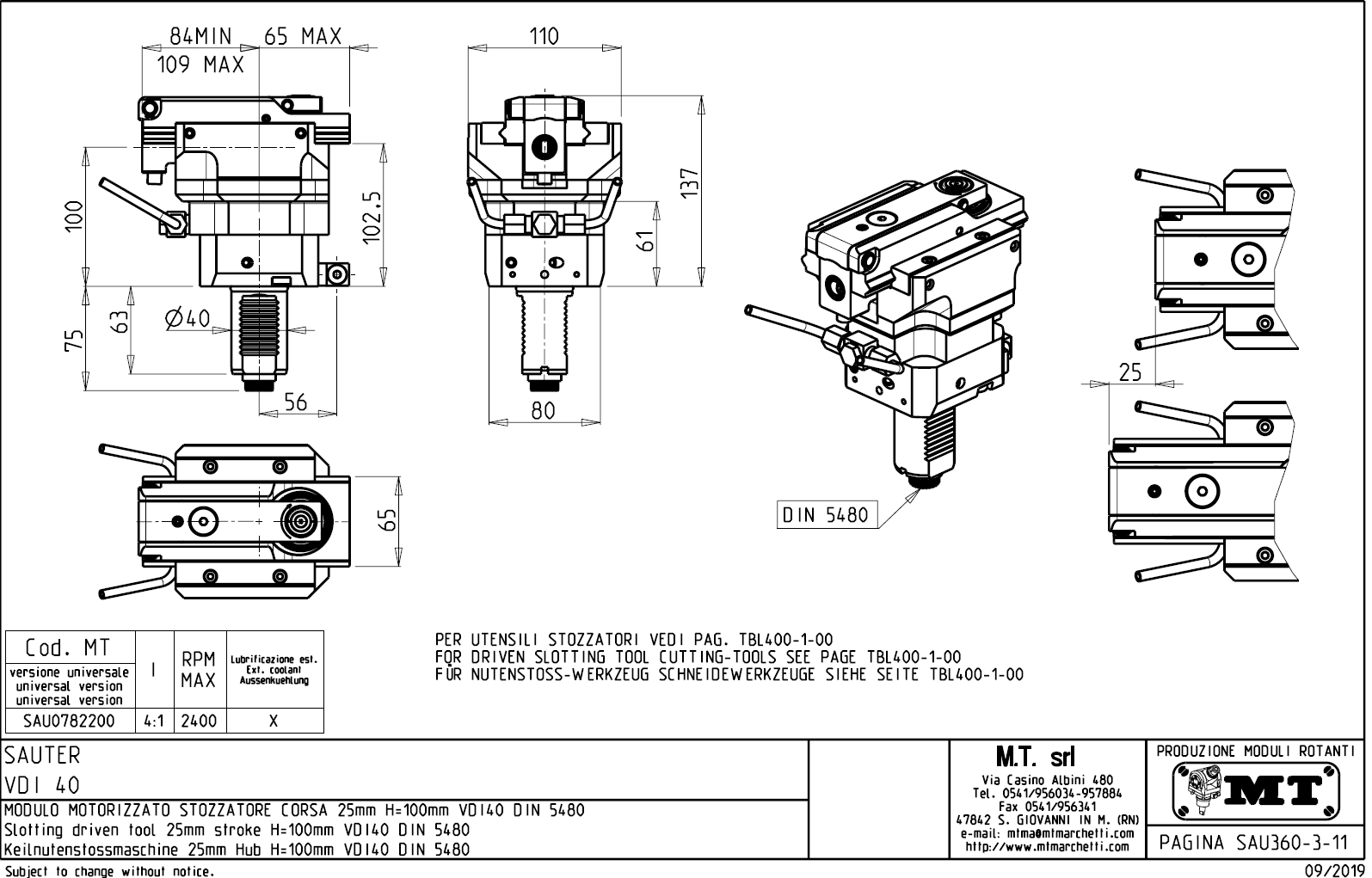
Rotační držák nástrojů pro obrábění drážek:
- max. 2.400 ot./min..
- převod 4:1.
- venkovní přívod řezné kapaliny.
Určeno pro stroje:
- série VDI 40 DIN 5480

Pro stažení souboru se prosím přihlašte. Pokud nemáte účet tak se nejprve registrujte.
Rotační držák nástrojů pro obrábění drážek:
Určeno pro stroje:

Pro stažení souboru se prosím přihlašte. Pokud nemáte účet tak se nejprve registrujte.