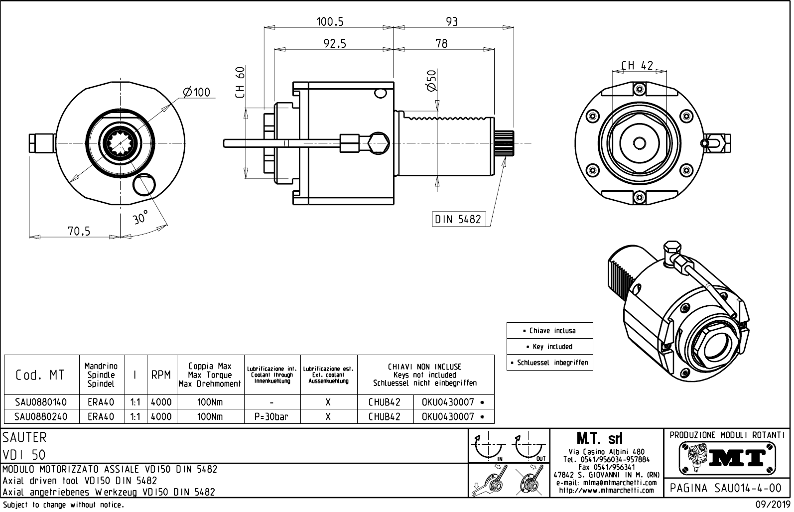
Axiální rotační držák nástrojů:
- max. 4.000 ot./min..
- převod 1:1.
- vnitřní (max.30bar) a venkovní přívod řezné kapaliny.
- upnutí nástroje pomocí: kleštiny ER / ERA.
Určeno pro stroje:
- série VDI 50 DIN 5482

Pro stažení souboru se prosím přihlašte. Pokud nemáte účet tak se nejprve registrujte.