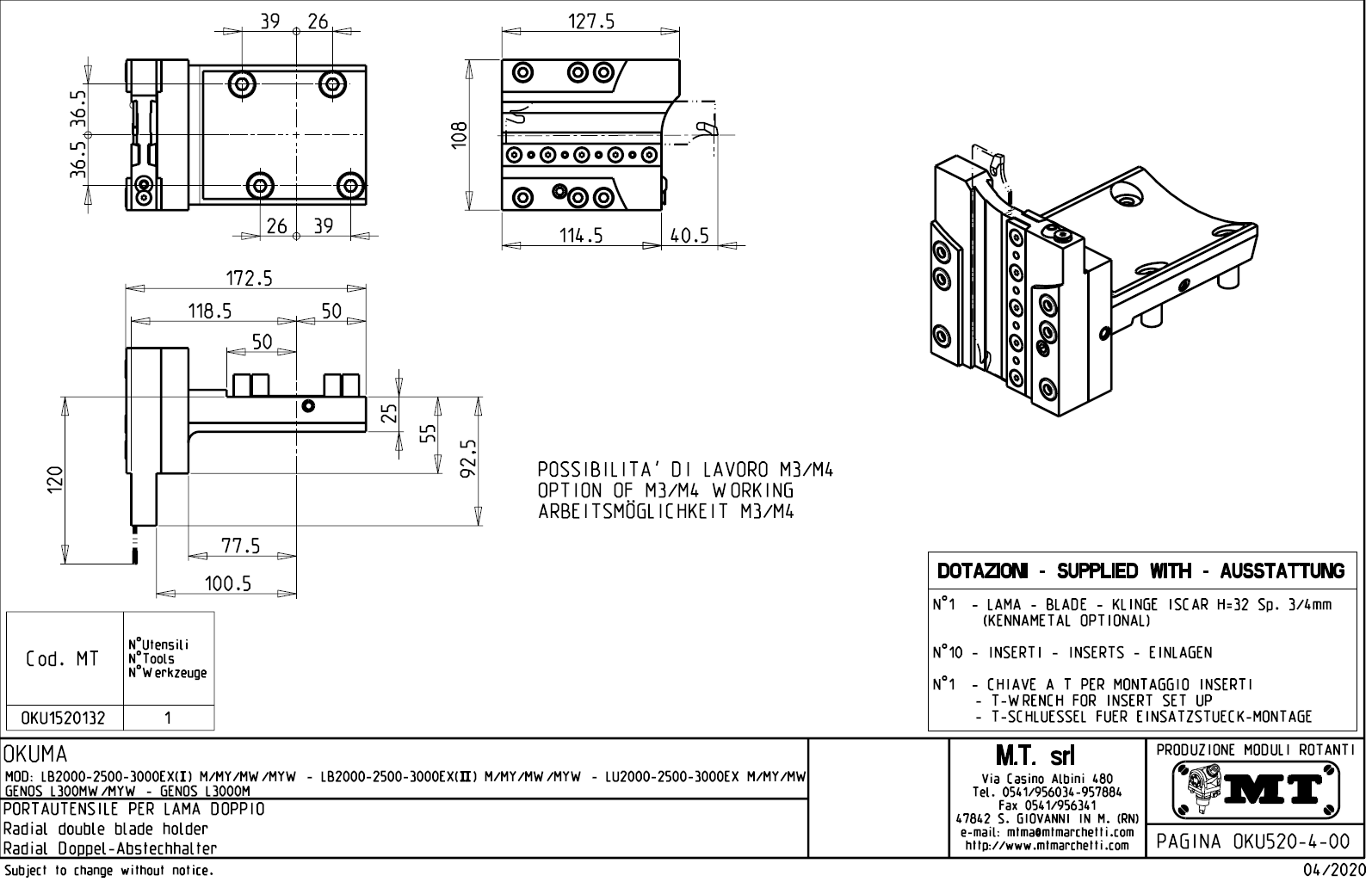
adiální pevný držák nástrojů pro vnější zapichování a upichování:
- venkovní přívod řezné kapaliny.
- pro upnutí planžet.
Určeno pro stroje:
- Okuma - série LB 2000 / 2500 / 3000 EX (I) M / MY / MW / MYW
- Okuma - série LB 2000 / 2500 / 3000 EX (II) M / MY / MW / MYW
- Okuma - série LU 2000 / 2500 / 3000 EX M / MY / MW
- Okuma - série GENOS L 300 MW / MYW
- Okuma - série GENOS L 3000 M

Pro stažení souboru se prosím přihlašte. Pokud nemáte účet tak se nejprve registrujte.