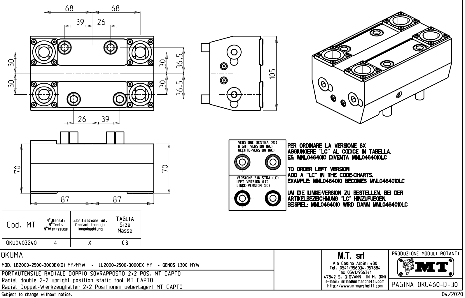
Radiální pevný držák nástrojů pro vnější soustružení:
- venkovní přívod řezné kapaliny.
- pro upnutí vnějších nožů Capto.
Určeno pro stroje:
- Okuma - série LB 2000 / 2500 / 3000 EX (I) MY / MYW
- Okuma - série LU 2000 / 2500 / 3000 EX MYW
- Okuma - série GENOS L 300 MYW

Pro stažení souboru se prosím přihlašte. Pokud nemáte účet tak se nejprve registrujte.