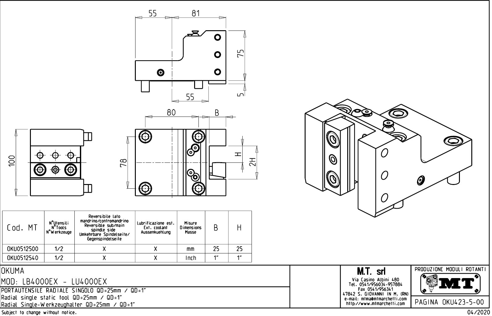
Radiální pevný držák nástrojů pro vnější soustružení:
- venkovní přívod řezné kapaliny.
- pro upnutí vnějších nožů.
Určeno pro stroje:
- Okuma - série LB 4000 EX
- Okuma - série LU 4000 EX

Pro stažení souboru se prosím přihlašte. Pokud nemáte účet tak se nejprve registrujte.