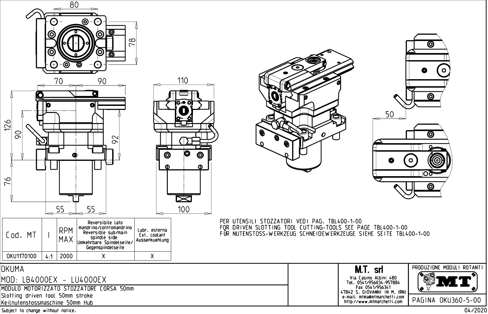
Rotační držák nástrojů pro obrábění drážek:
- max. 2.000 ot./min..
- převod 4:1.
- venkovní přívod řezné kapaliny.
Určeno pro stroje:
- Okuma - série LB 4000 EX
- Okuma - série LU 4000 EX

Pro stažení souboru se prosím přihlašte. Pokud nemáte účet tak se nejprve registrujte.