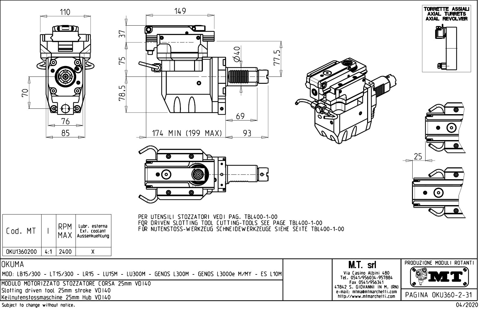
Rotační držák nástrojů pro obrábění drážek:
- max. 2.400 ot./min..
- převod 4:1.
- venkovní přívod řezné kapaliny.
Určeno pro stroje:
- Okuma - série LB 15 / 300
- Okuma - série LT 15 / 300
- Okuma - série LR 15
- Okuma - série LU 15 M
- Okuma - série LU 300 M
- Okuma - série GENOS L 300 M
- Okuma - série GENOS L 3000 e M / MY
- Okuma - série ES L 10 M

Pro stažení souboru se prosím přihlašte. Pokud nemáte účet tak se nejprve registrujte.