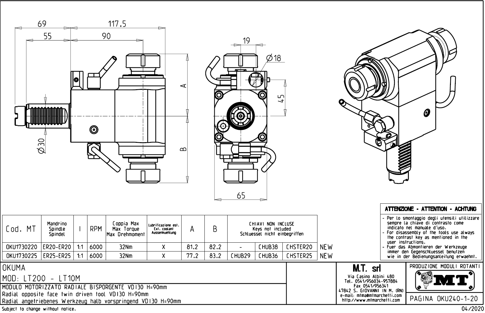
Radiální rotační držák nástrojů:
- max. 6.000 ot./min..
- převod 1:1.
- venkovní přívod řezné kapaliny.
- upnutí nástroje pomocí: kleštiny ER / ERA.
Určeno pro stroje:
- Okuma - série LB 200
- Okuma - série GENOS L 200 M
- Okuma - série GENOS L 2000 e M / MY
- Okuma - série ES L6 M
- Okuma - série ES L8 II M
- Okuma - série LB 10 M
- Okuma - série LR 10 M
- Okuma - série LU 200 M

Pro stažení souboru se prosím přihlašte. Pokud nemáte účet tak se nejprve registrujte.