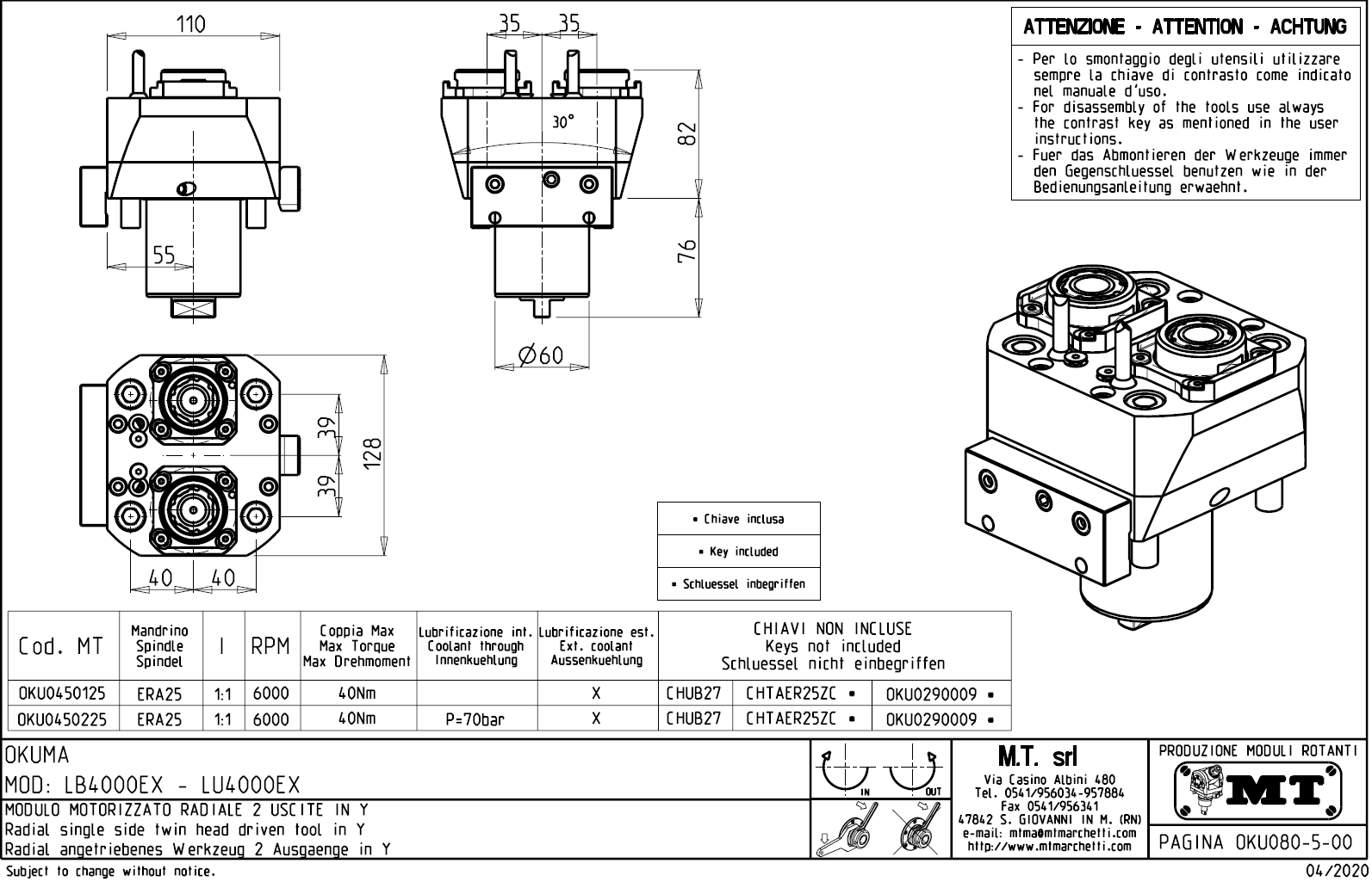
Radiální roatční držák nástrojů:
- max.6.000 ot./min..
- převod 1:1.
- vnitřní (max.70bar) a venkovní přívod řezné kapaliny.
- upnutí nástroje pomocí: kleštiny ER / ERA.
Určeno pro stroje:
- Okuma - série LB 4000 EX
- Okuma - série LU 4000 EX

Pro stažení souboru se prosím přihlašte. Pokud nemáte účet tak se nejprve registrujte.