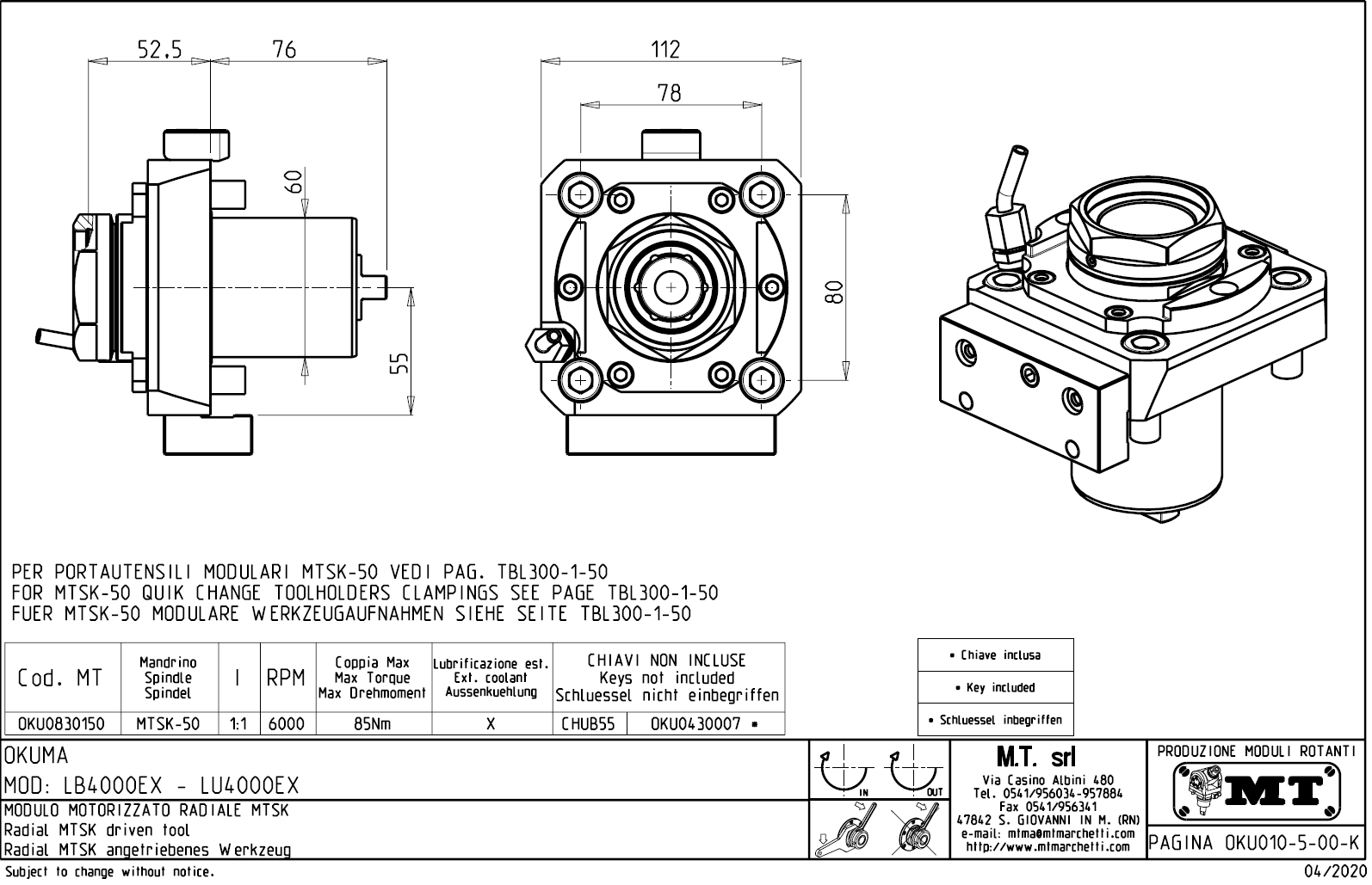
Radiální rotační držák nástrojů:
- max. 6.000 ot./min..
- převod 1:1.
- venkovní přívod řezné kapaliny.
- upnutí nástroje pomocí: rychlovýměnného modulárního systému MTSK.
Určeno pro stroje:
- Okuma - série LB 4000 EX
- Okuma - série LU 4000 EX

Pro stažení souboru se prosím přihlašte. Pokud nemáte účet tak se nejprve registrujte.