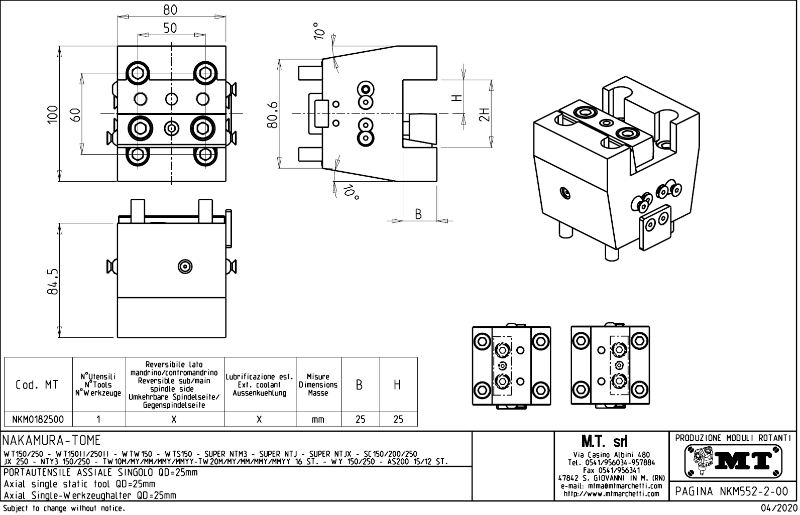
Axiální, pevný držák nástrojů pro vnější soustružení:
- venkovní přívod řezné kapaliny.
- pro upnutí vnějších nožů.
Určeno pro stroje:
- Nakamura-Tome - série WT 150 / 250
- Nakamura-Tome - série WT 150II / 250II
- Nakamura-Tome - série WTW 150
- Nakamura-Tome - série WTS 150
- Nakamura-Tome - série SUPER NTM3 / NTJ / NTJX
- Nakamura-Tome - série SC 150 / 200 / 250
- Nakamura-Tome - série JX 250
- Nakamura-Tome - série NTY3 150 / 250
- Nakamura-Tome - série TW 10 M / MY / MM / MMY / MMYY
- Nakamura-Tome - série TW 20 M / MY / MM / MMY / MMYY s 16-ti polohovou hlavou
- Nakamura-Tome - série WY 150 / 250
- Nakamura-Tome - série AS 200 s 15 / 12-ti polohovou hlavou
- CMZ - série TX52 Y3 / Y2 / QUATRO / Y2 TWIN
- CMZ - série TX66 Y3 / Y2 / QUATRO / Y2 TWIN
- CMZ - série TTL 52 / TTL 66
- CMZ - série TA 15 / 20 / 25 / 30 M / Y / MS / MY / YS s 15-ti polohovou hlavou

Pro stažení souboru se prosím přihlašte. Pokud nemáte účet tak se nejprve registrujte.