Rychlý kontakt: +420 381 214 452

NKM453-3-00

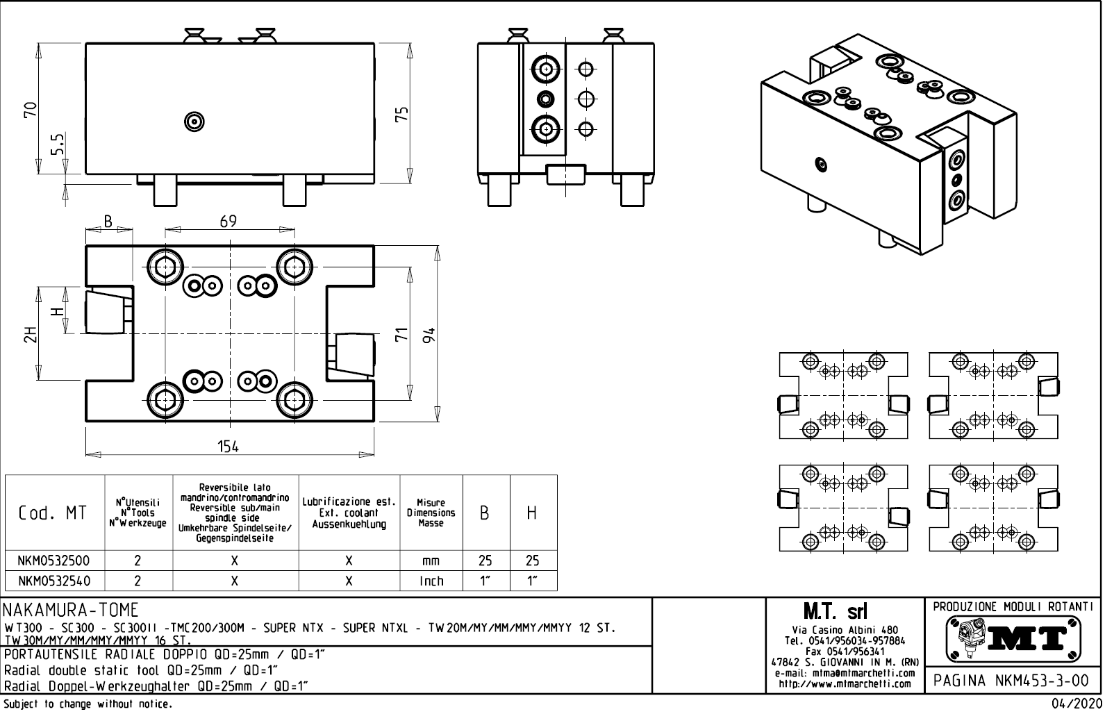
Radiální pevný, statický nástrojový držák pro stroje s nástrojovou hlavou BMT65

Podrobný popis produktu
VÝBĚR VARIANTY:
Podrobný popis
Technické paramentry
Soubory ke stažení

Radiální pevný držák nástrojů pro vnější soustružení:

  • venkovní přívod řezné kapaliny.
  • pro upnutí vnějších nožů.

Určeno pro stroje:

  • Nakamura-Tome - série WT 300
  • Nakamura-Tome - série SC 300 / 300II 
  • Nakamura-Tome - série TMC 200 / 300 M 
  • Nakamura-Tome - série SUPER NTX / NTXL
  • Nakamura-Tome - série TW 20 M / MY / MM / MMY / MMYY s 12-ti polohovou hlavou
  • Nakamura-Tome - série TW 30 M / MY / MM / MMY / MMYY s 16-ti polohovou hlavou

Pro stažení souboru se prosím přihlašte. Pokud nemáte účet tak se nejprve registrujte.