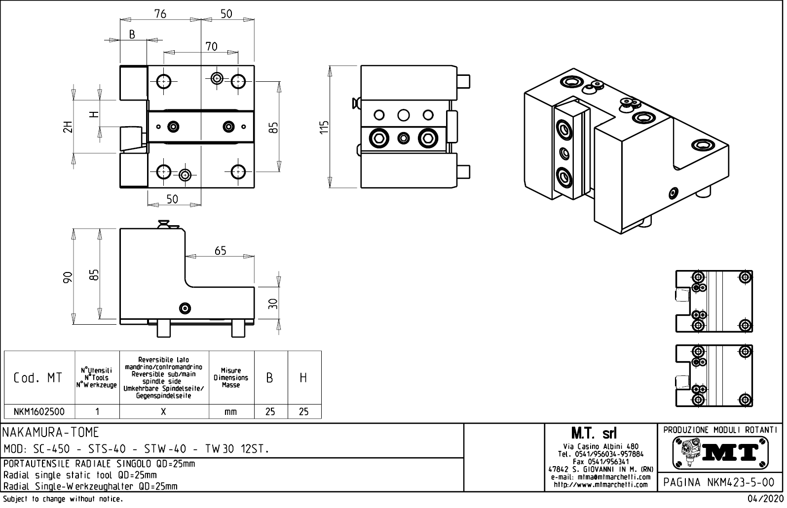
Radiální pevný držák nástrojů pro vnější soustružení:
- venkovní přívod řezné kapaliny.
- pro upnutí vnějších nožů.
Určeno pro stroje:
- Nakamura-Tome - série SC 450
- Nakamura-Tome - série STS 40
- Nakamura-Tome - série STW 40
- Nakamura-Tome - série TW 30 s 12-ti polohovou hlavou

Pro stažení souboru se prosím přihlašte. Pokud nemáte účet tak se nejprve registrujte.