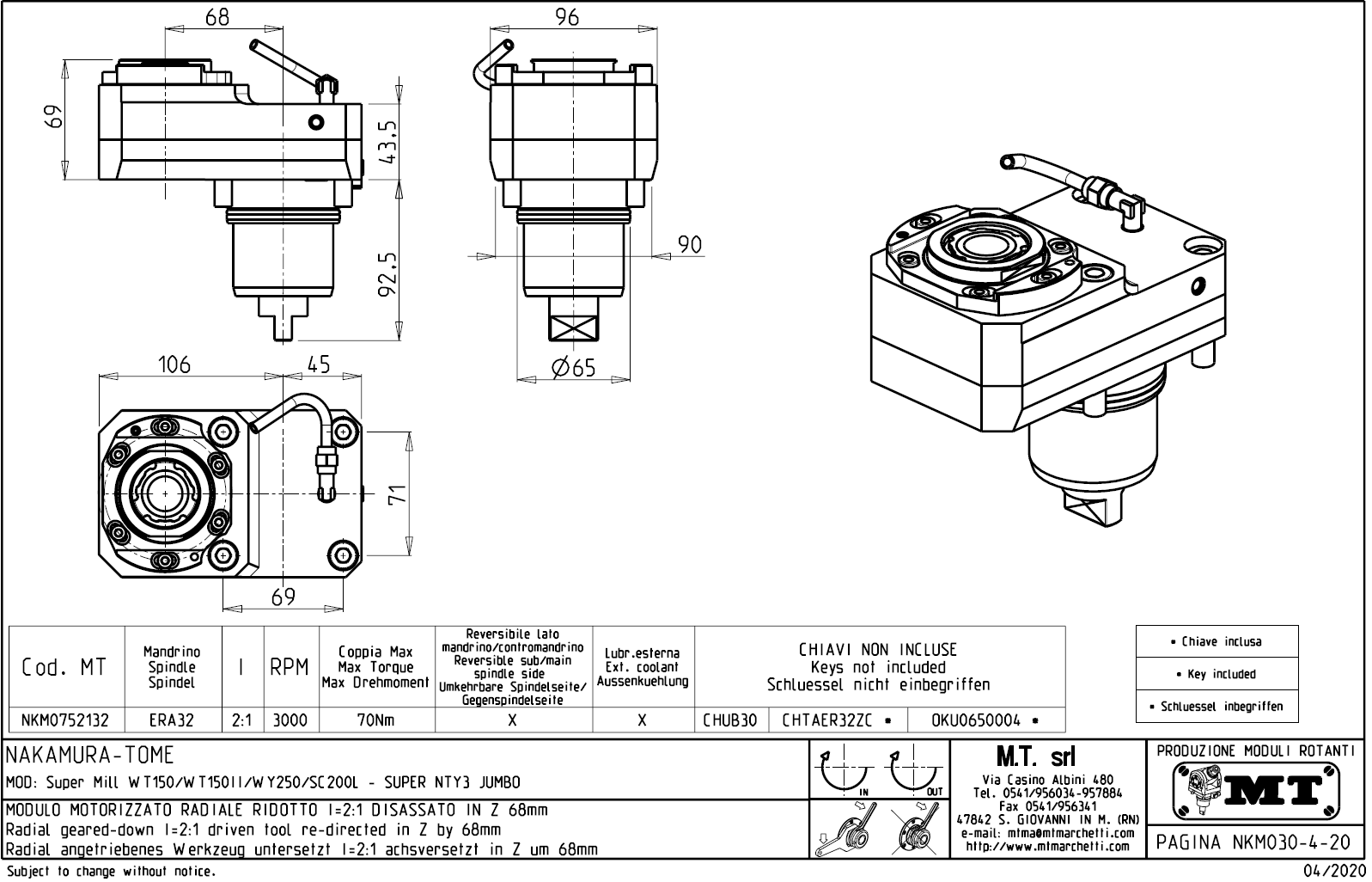
Radiální rotační držák nástrojů:
- max. 3.000 ot./min..
- převod 2:1.
- venkovní přívod řezné kapaliny.
- upnutí nástroje pomocí: kleštiny ER / ERA.
Určeno pro stroje:
- Nakamura-Tome - série SUPER MILL WT 150 / 150 II / WY 250 / SC 200 L
- Nakamura-Tome - série SUPER NTY3 JUMBO

Pro stažení souboru se prosím přihlašte. Pokud nemáte účet tak se nejprve registrujte.