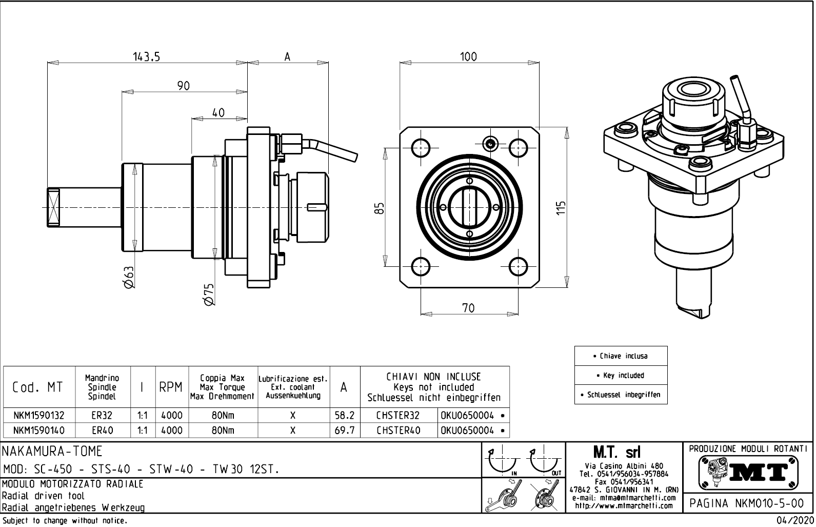
Radiální rotační držák nástrojů:
- max. 4.000 ot./min..
- převod 1:1.
- venkovní přívod řezné kapaliny.
- upnutí nástroje pomocí: kleštiny ER / ERA.
Určeno pro stroje:
- Nakamura-Tome - série SC 450
- Nakamura-Tome - série STS 40
- Nakamura-Tome - série STW 40
- Nakamura-Tome - série TW 30 s 12-ti polohovou hlavou

Pro stažení souboru se prosím přihlašte. Pokud nemáte účet tak se nejprve registrujte.