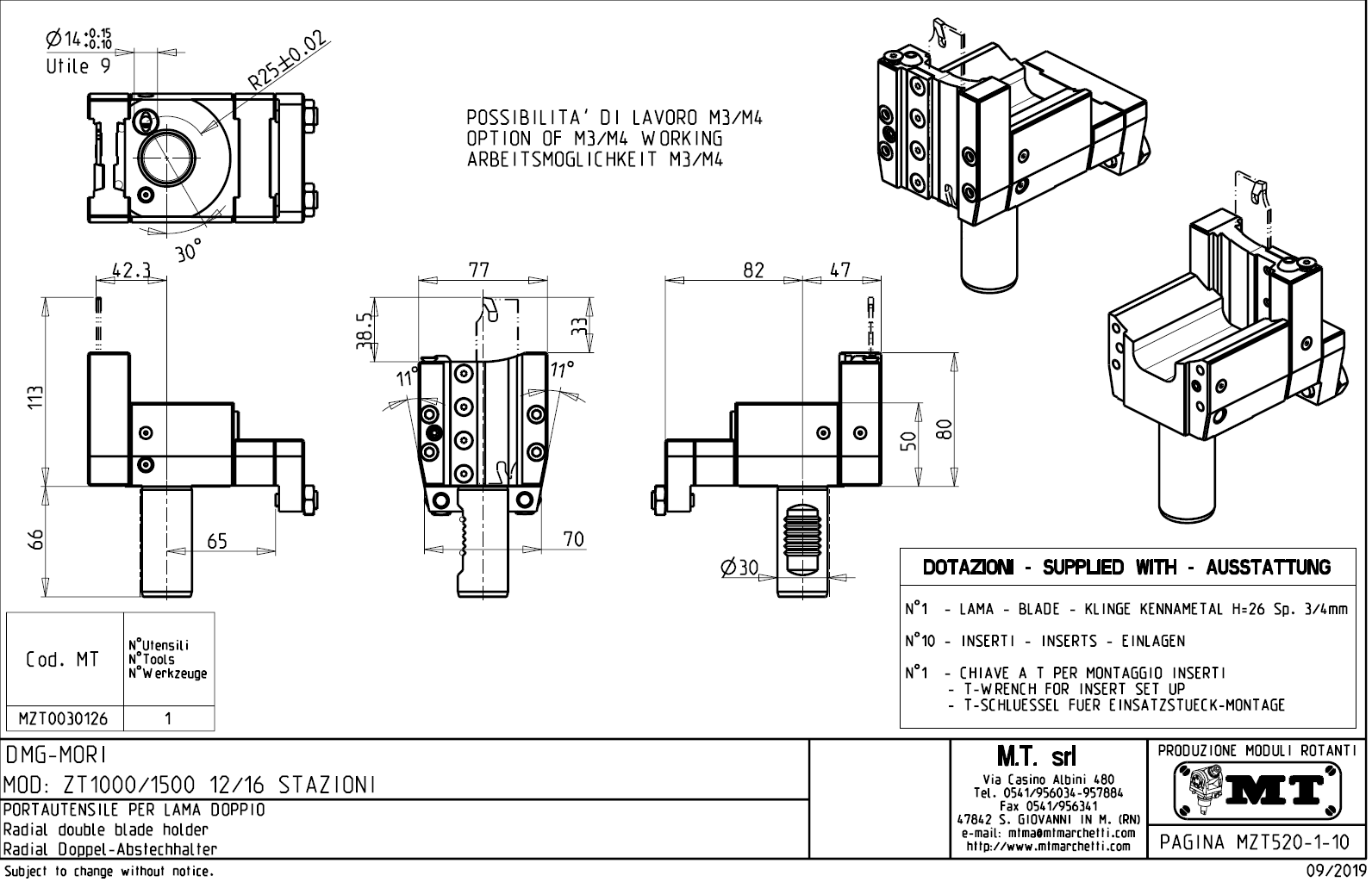
Radiální pevný držák nástrojů pro vnější zapichování a upichování:
- venkovní přívod řezné kapaliny.
- pro upnutí vnějších nožů.
Určeno pro stroje:
- série ZT 1000 / 1500 s 12 / 16 -ti polohovou hlavou

Pro stažení souboru se prosím přihlašte. Pokud nemáte účet tak se nejprve registrujte.