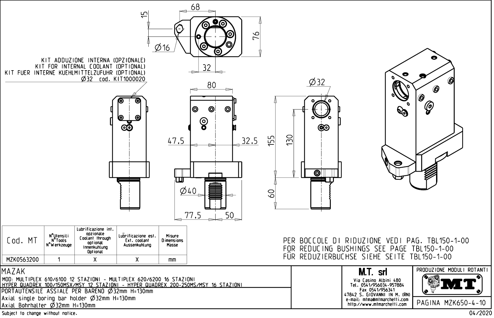
Axiální pevný držák nástrojů pro vrtání a vnitřní soustružení:
- vnitřní (max.70bar) a venkovní přívod řezné kapaliny.
- pro upnutí vnitřních nožů.
- možnost upnutí antivibračních tyčí pomocí svěrného spoje.
- pro použití vnitřního přívodu chladící kapaliny musí být použit zaslepovací kit, který není součástí standadní dodávky.
Určeno pro stroje:
- Mazak - série MULTIPLEX 610 / 6100 s 12-ti polohovou hlavou
- Mazak - série MULTIPLEX 620 / 6200 s 16-ti polohovou hlavou
- Mazak - série HYPER QUADREX 100 / 150 MSX / MSY s 12-ti polohovou hlavou
- Mazak - série HYPER QUADREX 200 / 250 MS / MSY s 16-ti polohovou hlavou

Pro stažení souboru se prosím přihlašte. Pokud nemáte účet tak se nejprve registrujte.