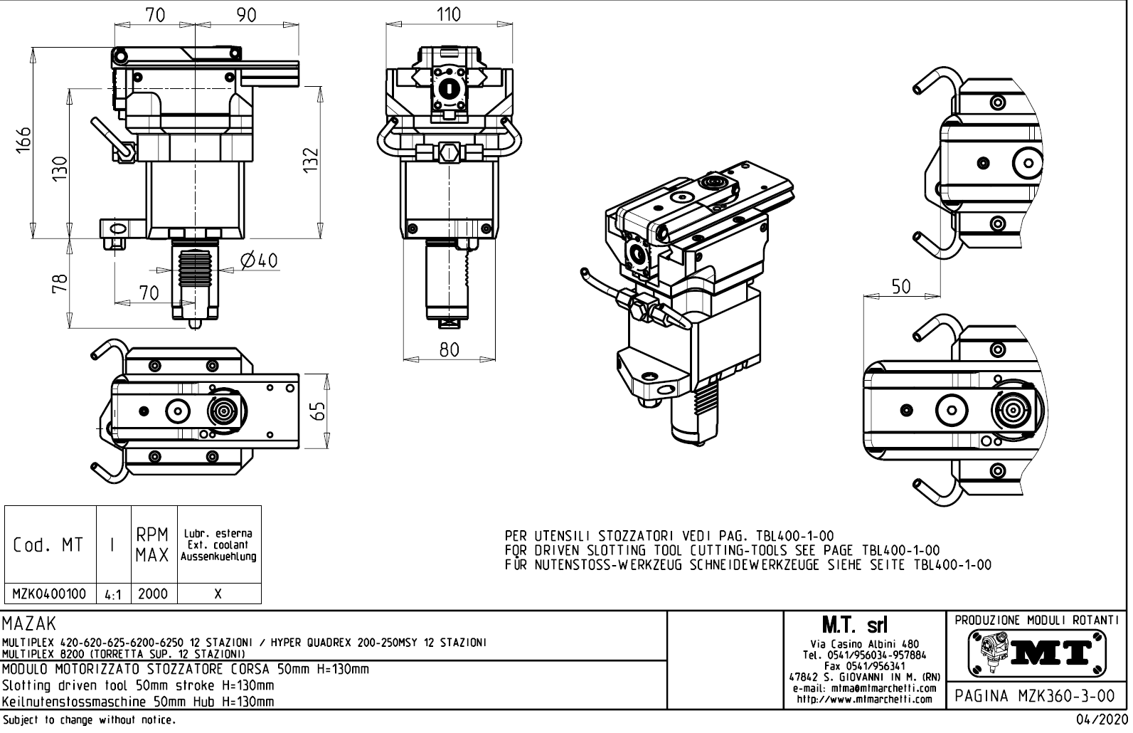
Rotační držák nástrojů pro obrábění drážek:
- max. 2.000 ot./min..
- převod 4:1.
- venkovní přívod řezné kapaliny.
Určeno pro stroje:
- Mazak - série MULTIPLEX 420 / 620 / 625 / 6200 / 6250 s 12-ti polohovou hlavou
- Mazak - série MULTIPLEX 8200 (TORRETTA SUP. s 12-ti polohovou hlavou)
- Mazak - série HYPER QUADREX 200 / 250 MSY s 12-ti polohovou hlavou

Pro stažení souboru se prosím přihlašte. Pokud nemáte účet tak se nejprve registrujte.