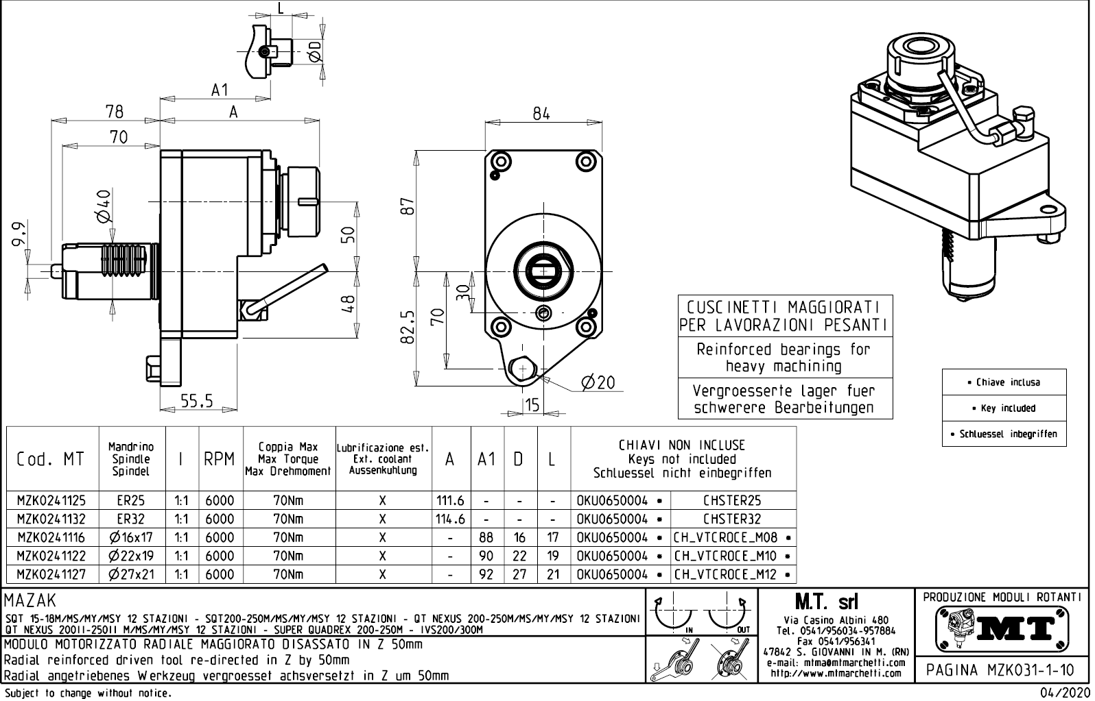
Radiální rotační držák nástrojů:
- max. 6.000 ot./min..
- převod 1:1.
- venkovní přívod řezné kapaliny.
- upnutí nástroje pomocí: kleštiny ER / ERA, nástrčného trnu.
Určeno pro stroje:
- Mazak - série SQT 15 - 18 M / MS / MY / MSY s 12-ti polohovou hlavou
- Mazak - série SQT 200 - 250 M / MS / MY / MSY s 12-ti polohovou hlavou
- Mazak - série QT NEXUS 200 - 250 M / MS / MY / MSY s 12-ti polohovou hlavou
- Mazak - série QT NEXUS 200 II - 250 II M / MS / MY / MSY s 12-ti polohovou hlavou
- Mazak - série SUPER QUADREX 200 - 250 M
- Mazak - série IVS 200 / 300 M

Pro stažení souboru se prosím přihlašte. Pokud nemáte účet tak se nejprve registrujte.