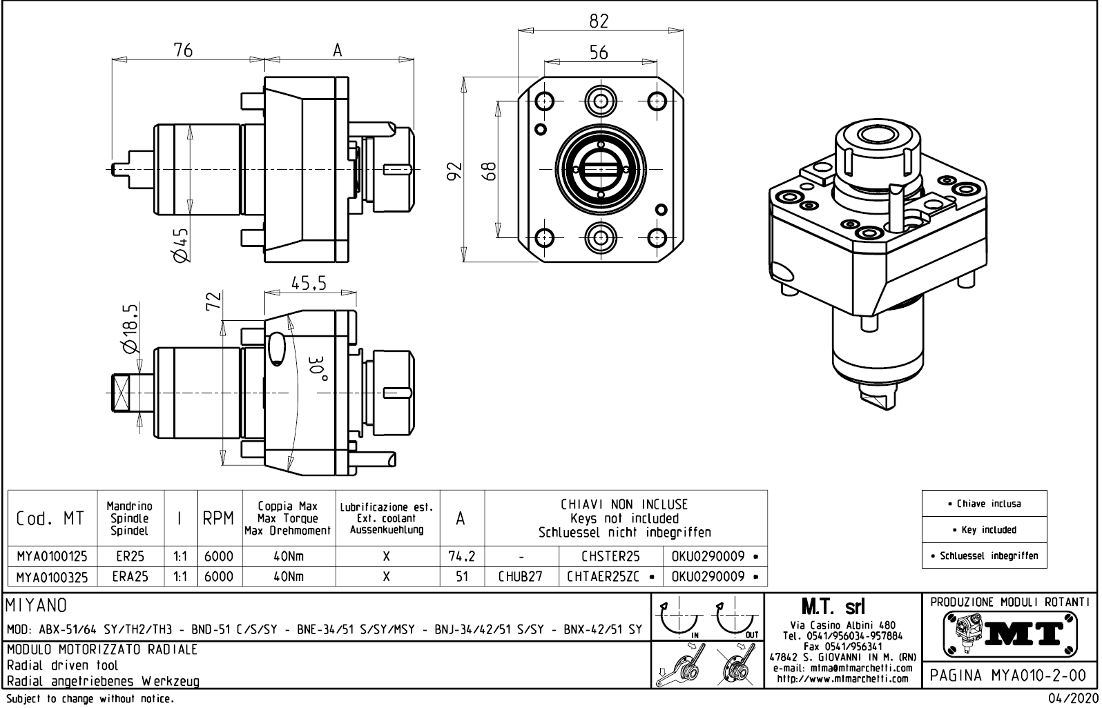
Radiální rotační držák nástrojů:
- max. 6.000 ot./min..
- převod 1:1.
- venkovní přívod řezné kapaliny.
- upnutí nástroje pomocí: kleštiny ER / ERA.
Určeno pro stroje:
- Miyano - série ABX - 51 / 64 SY / TH2 / TH3
- Miyano - série BND - 51 C / S / SY
- Miyano - série BNE - 34 / 51 S / SY / MSY
- Miyano - série BNJ - 34 / 42 / 51 S/ SY
- Miyano - série BNX - 42 / 51 SY

Pro stažení souboru se prosím přihlašte. Pokud nemáte účet tak se nejprve registrujte.