Rychlý kontakt: +420 381 214 452

MUR550-2-00

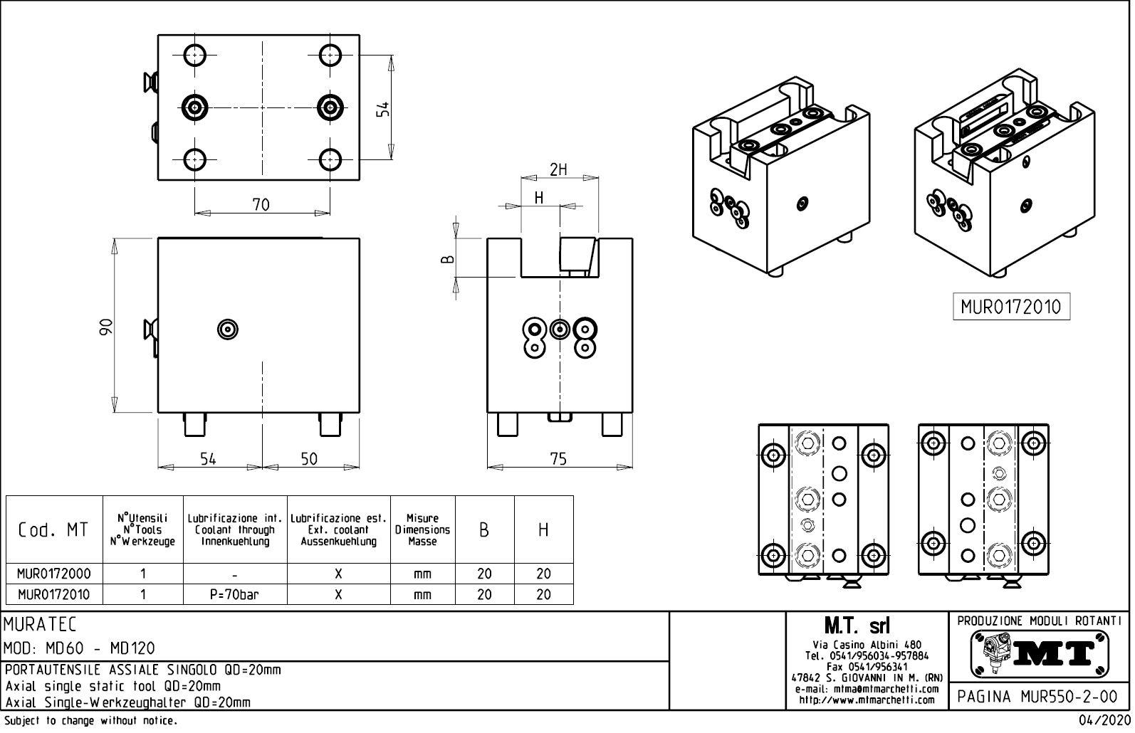
Axiální, pevný (statický) nástrojový držák pro stroje s nástrojovou hlavou typu BMT45.

Podrobný popis produktu
VÝBĚR VARIANTY:
Podrobný popis
Technické paramentry
Soubory ke stažení

Axiální, pevný držák nástrojů pro vnější soustružení:

  • vnitřní (max.70bar) a venkovní přívod řezné kapaliny.
  • pro upnutí vnějších nožů.

Určeno pro stroje:

  • Muratec - série MD 60 - MD 120

Pro stažení souboru se prosím přihlašte. Pokud nemáte účet tak se nejprve registrujte.