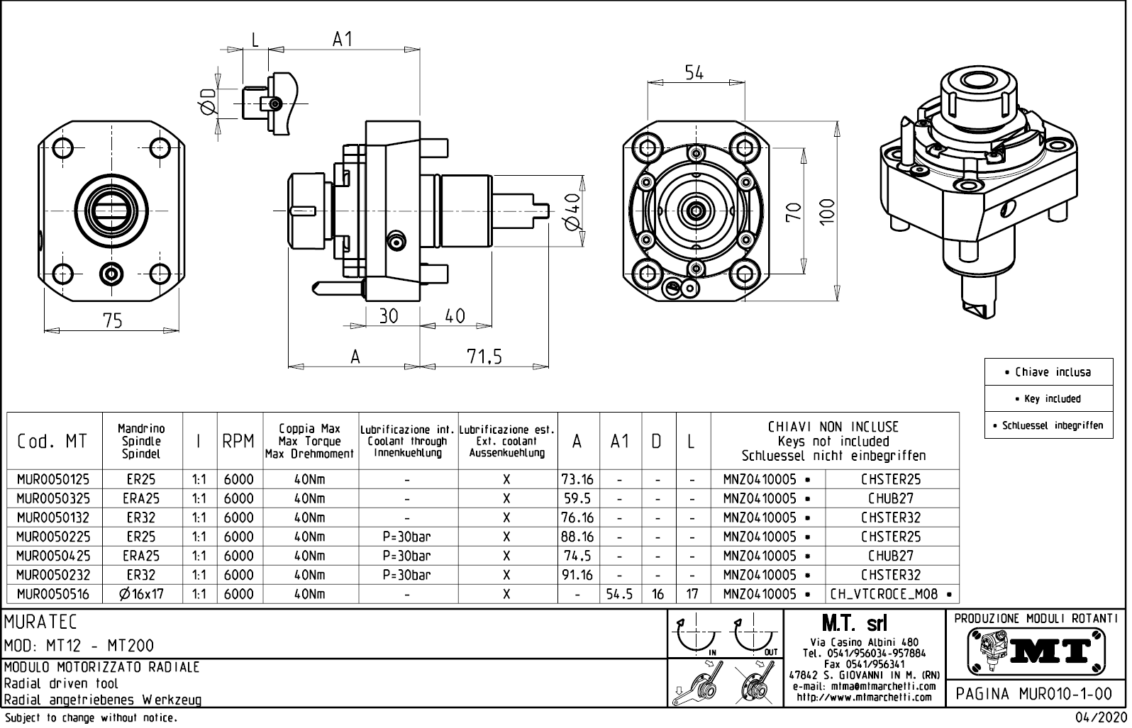
Radiální rotační držák nástrojů:
- max. 6.000 ot./min..
- převod 1:1.
- vnitřní (max.30bar) a venkovní přívod řezné kapaliny.
- upnutí nástroje pomocí: kleštiny ER / ERA, nástrčného trnu.
Určeno pro stroje:
- Muratec - série MT 12 - MT 2000

Pro stažení souboru se prosím přihlašte. Pokud nemáte účet tak se nejprve registrujte.