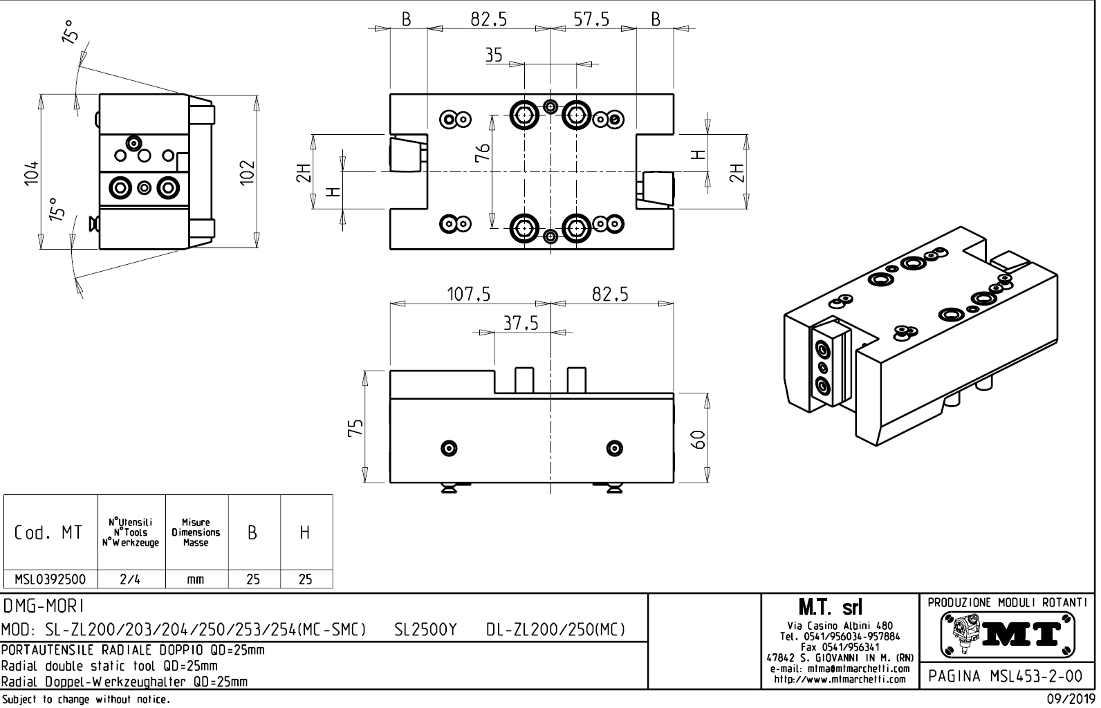
Radiální pevný držák nástrojů pro vnější soustružení:
- venkovní přívod řezné kapaliny.
- pro upnutí vnějších nožů.
Určeno pro stroje:
- série SL - ZL 200 / 203 / 204 / 250 /253 / 254 (MC - SMC )
- série DL - ZL 200 / 250 (MC)
- série SL 2500Y

Pro stažení souboru se prosím přihlašte. Pokud nemáte účet tak se nejprve registrujte.