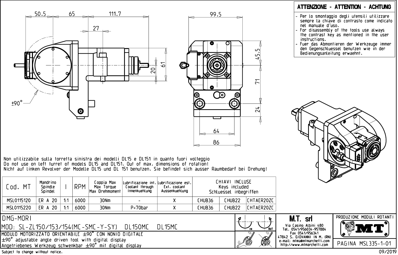
Úhlově nastavitelný rotační držák nástrojů:
- max. 6.000 ot./min..
- převod 1:1.
- vnitřní (max.70bar) a venkovní přívod řezné kapaliny.
- upnutí nástroje pomocí: kleštiny ER / ERA.
Určeno pro stroje:
- série SL - ZL 150 / 153 / 154 (MC - SMC - Y - SY)
- série DL 15MC / 150MC

Pro stažení souboru se prosím přihlašte. Pokud nemáte účet tak se nejprve registrujte.