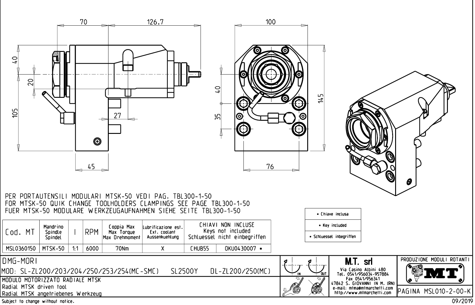
Radiální rotační držák nástrojů:
- max. 6.000 ot./min..
- převod 1:1.
- venkovní přívod řezné kapaliny.
- upnutí nástroje pomocí: rychlovýměnného modulárního systému MTSK.
Určeno pro stroje:
- série SL - ZL 200 / 203 / 204 / 250 /253 / 254 (MC - SMC )
- série DL - ZL 200 / 250 (MC)
- série SL 2500Y


Pro stažení souboru se prosím přihlašte. Pokud nemáte účet tak se nejprve registrujte.