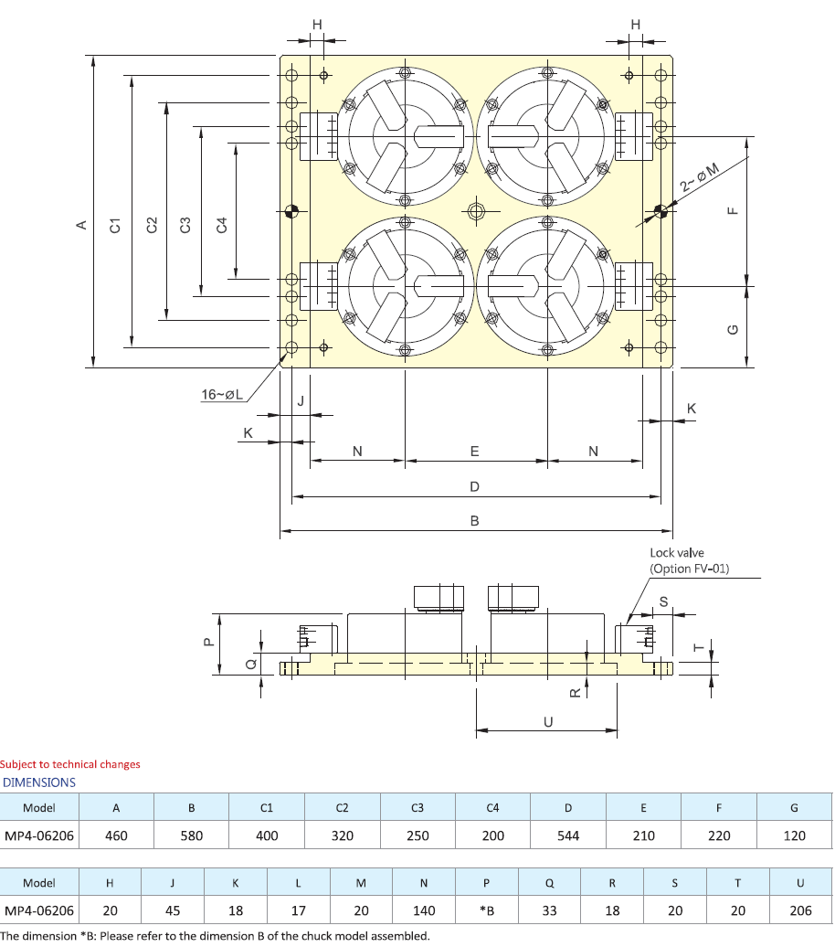
Základní deska pro stacionární sklíčidla.

Pro stažení souboru se prosím přihlašte. Pokud nemáte účet tak se nejprve registrujte.
Základní deska pro stacionární sklíčidla.

Pro stažení souboru se prosím přihlašte. Pokud nemáte účet tak se nejprve registrujte.