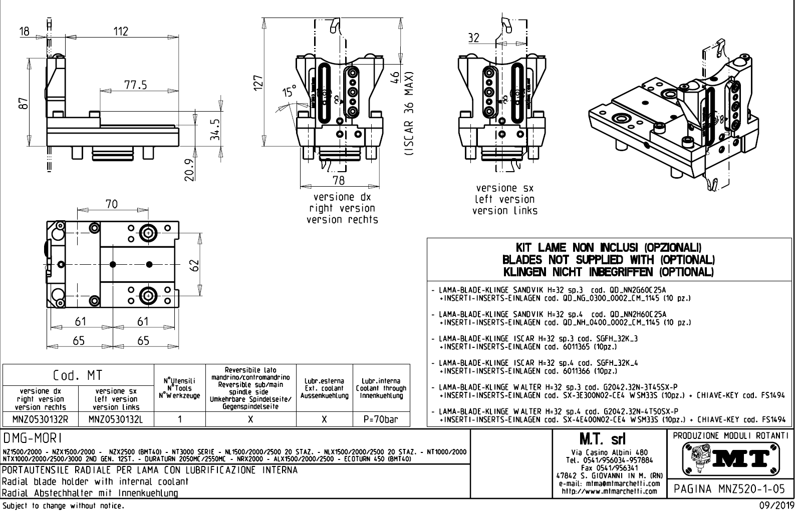
Radiální pevný držák nástrojů pro vnější soustružení:
- vnitřní (max.70bar) a venkovní přívod řezné kapaliny.
- pro upnutí vnějších nožů.
Určeno pro stroje:
- série NL / NLX s 20-ti polohovou hlavou
- série NT 1000 / 2000 / 3000
- série NTX 1000 / 2000 / 2500 / 3000 (druhé generace)
- série NZ 1500 / 2000
- série NZX 1500 / 2000 / 2500
- série NRX 2000
- série DURATURN 2500MC / 2550MC
- série ALX 1500 / 2000 / 2500
- série ECOTURN 450

Pro stažení souboru se prosím přihlašte. Pokud nemáte účet tak se nejprve registrujte.