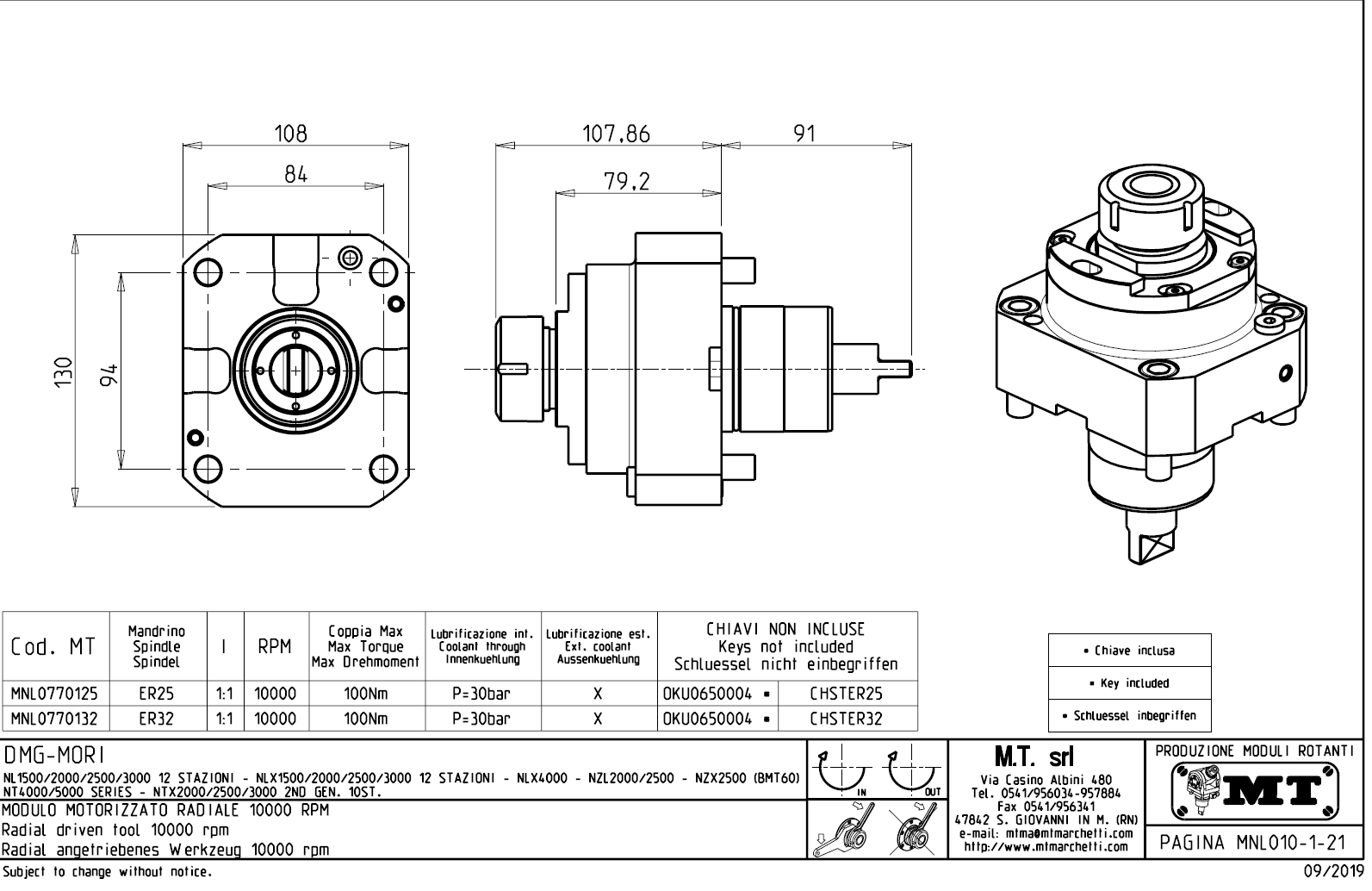
Radiální rotační držák nástrojů:
- max. 10.000 ot./min..
- převod 1:1.
- vnitřní (max.30bar) a venkovní přívod řezné kapaliny.
- upnutí nástroje pomocí: kleštiny ER / ERA.
Určeno pro stroje:
- DMG Mori / Mori Seiki - série NL / NLX s 12-ti polohovou hlavou
- DMG Mori / Mori Seiki - série NLX 4000
- DMG Mori / Mori Seiki - série NT 4000 / 5000
- DMG Mori / Mori Seiki - série NTX 2000 / 2500 / 3000 (druhé generace)
- DMG Mori / Mori Seiki - série NZX 2500
- DMG Mori / Mori Seiki - série NZL 2000 / 2500
- MTRent - série MTCUT T25Y/SY / T32Y/SY
- Takisawa - série TS3000 / TS4000 / TS5000 s 12-ti polohovou hlavou

Pro stažení souboru se prosím přihlašte. Pokud nemáte účet tak se nejprve registrujte.