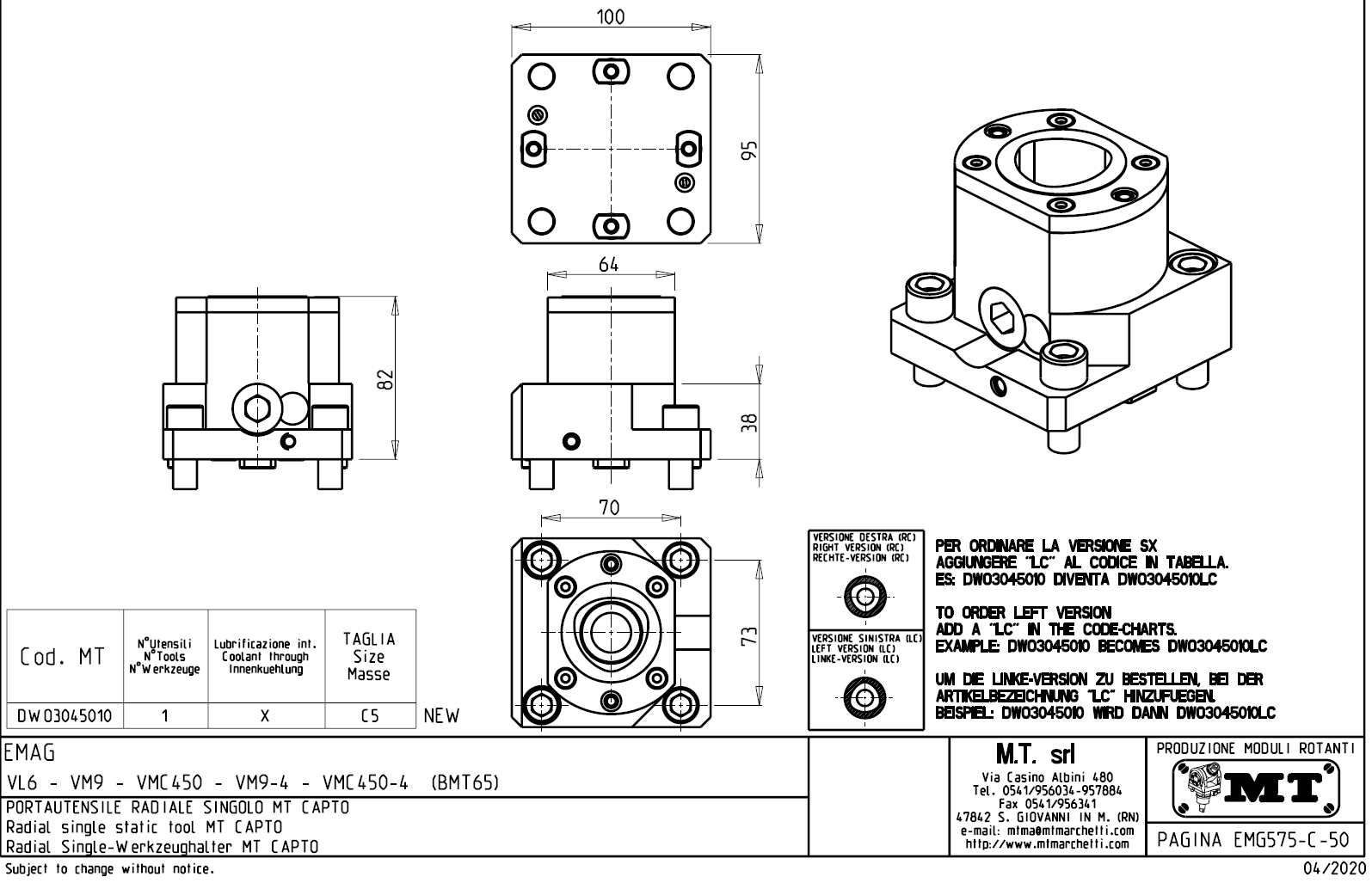
Radiální pevný držák nástrojů pro vnější soustružení:
- venkovní přívod řezné kapaliny.
- pro upnutí vnějších nožů Capto.
Určeno pro stroje:
- Emag - série VL6
- Emag - série VMC450
- Emag - série VM9-4
- Emag - série VMC450-4

Pro stažení souboru se prosím přihlašte. Pokud nemáte účet tak se nejprve registrujte.