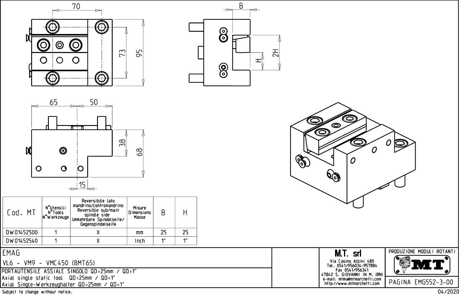
Axiální pevný držák nástrojů pro vnější zapichování a upichování:
- vnitřní (max.70bar) a venkovní přívod řezné kapaliny.
- pro upnutí planžet.
Určeno pro stroje:
- Emag - série VL6
- Emag - série VM9
- Emag - série VMC450

Pro stažení souboru se prosím přihlašte. Pokud nemáte účet tak se nejprve registrujte.