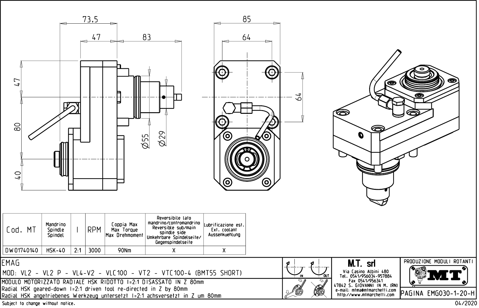
Radiální rotační držák nástrojů:
- max. 3.000 ot./min..
- převod 2:1.
- venkovní přívod řezné kapaliny.
- upnutí nástroje pomocí: systému HSK
Určeno pro stroje:
- Emag - série VL2 / VL2 P
- Emag - série VL4 - V2
- Emag - série VLC100
- Emag - série VT2
- Emag - série VTC100-4

Pro stažení souboru se prosím přihlašte. Pokud nemáte účet tak se nejprve registrujte.