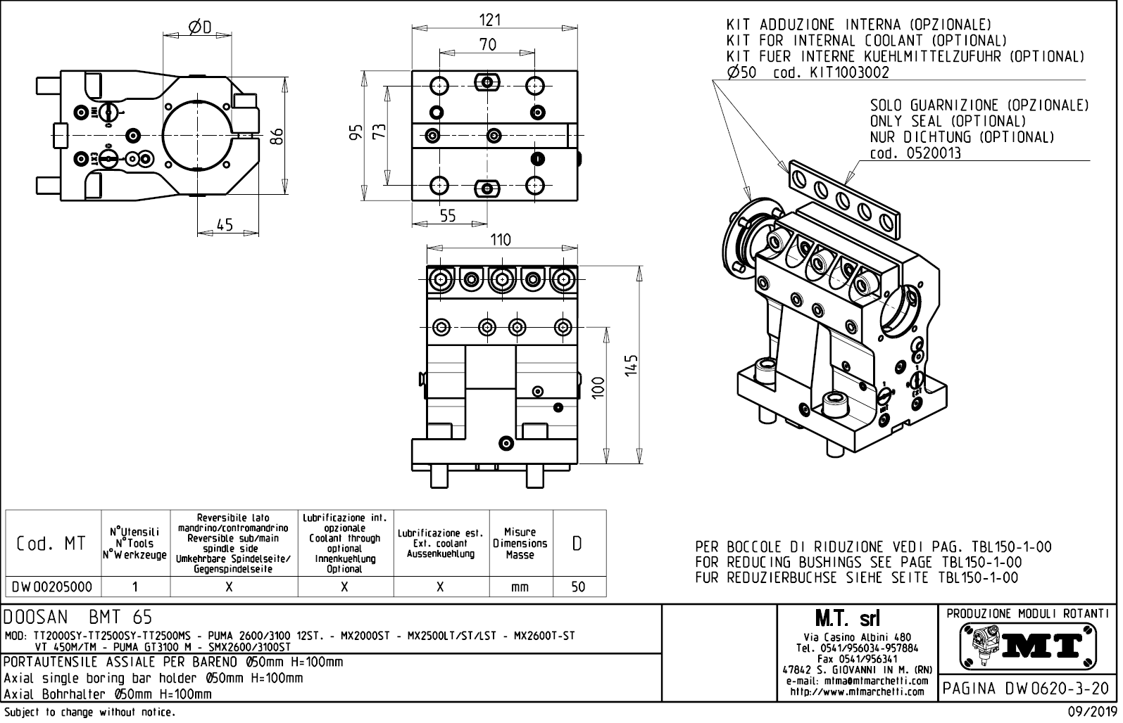
Axiální, pevný držák nástrojů pro vrtání a vnitřní soustružení:
- vnitřní (max.70bar) a venkovní přívod řezné kapaliny.
- pro upnutí vnitřních nožů.
- možnost upnutí antivibračních tyčí pomocí svěrného spoje.
- pro použití vnitřního přívodu chladící kapaliny musí být použit zaslepovací kit, který není součástí standadní dodávky.
Určeno pro stroje:
- Doosan - série PUMA MX 2000 ST / 2500 LT / ST / LST
- Doosan - série PUMA MX 2600 T / ST
- Doosan - série PUMA 2600 / 3100 ST s 12-ti polohovou hlavou
- Doosan - série PUMA INVERTURN 3000M
- Doosan - série PUMA TT2000 / 2500 SY / MS
- Doosan - série PUMA V400M / VT450 M / TM
- Doosan - série PUMA 300 M / MS
- Doosan - série PUMA GT3100 M
- Doosan - série PUMA SMX2600 / 3100 ST
- Goodway - série GLS2800 / 3300 s 12-ti polohovou hlavou
- Goodway - série GMS2000 s 15-ti polohovou hlavou
- Goodway - série GMT2000
- Goodway - série GS2000 / 2800 s 16-ti polohovou hlavou
- Goodway - série GTH2000 / 2600 s 12-ti polohovou hlavou
- Goodway - série GTX2000 / 2600 s 12-ti polohovou hlavou
- Goodway - série GTZ2000 / 2600 s 12-ti polohovou hlavou
- Haas - série DS30 (BMT65)
- Haas - série ST20 / 25 / 30 35 (BMT65)
- Hwacheon - série T2
- Hwacheon - série CUTEX-240
- Hwacheon - série HI-TECH-200 / 230 / 300 / 350 / 400 / 450
- Hyundai WIA (Kia) - série HD2600M / 3100M (BMT65)
- Hyundai WIA (Kia) - série L2000 / 2100 / 2600 / 3000 / Y / SY
- Hyundai WIA (Kia) - série L300 M / LM / LMS / MS
- Hyundai WIA (Kia) - série LM2000 / 2500 / TTM / TTMS / TTSY
- Hyundai WIA (Kia) - série LV450 RM / LM
- Hyundai WIA (Kia) - série SKT-V3LM / V3RM
- Hyundai WIA (Kia) - série SKT200 /250 / 300 / TTM / TTMS / TTSY / LM / M / MS /
- SMEC - série PL200MC / PL2000SY / PL25MC / PL2500SY / PL35MC
- SMEC - série SL2000T2Y2 / SL20MC / SL2500 / 3000 / M / SY / Y / SL25ASY / SVL500M
- Spinner - série TC800 SMCY (BMT65)
- Victor - série VTURN-A26 CM / SCM / YCM / YSCM
- Victor - série VTURN-S26 CM
- YCM - série NT2000 / 2500 s 12-ti polohovou hlavou

Pro stažení souboru se prosím přihlašte. Pokud nemáte účet tak se nejprve registrujte.