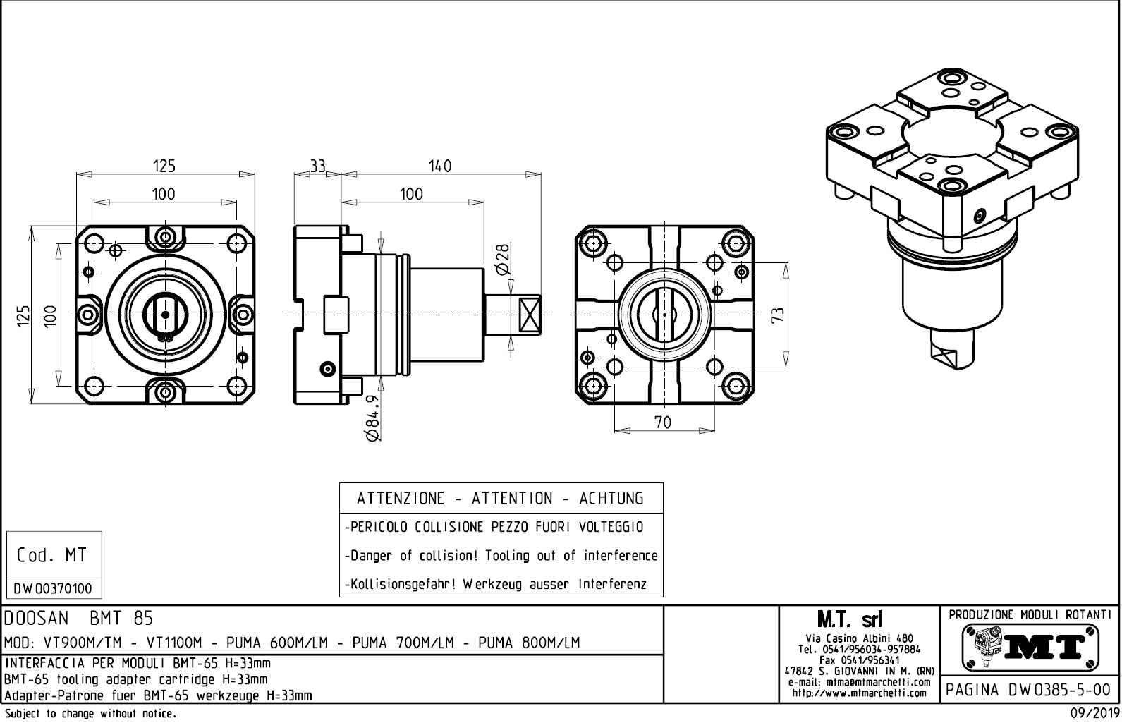
Redukce pro nástrojové držáky pro stroje Biglia:
Určeno pro stroje:
- série PUMA 600 / 700 / 800 M / LM
- série VT 900 M / TM
- série VT 1100 M

Pro stažení souboru se prosím přihlašte. Pokud nemáte účet tak se nejprve registrujte.
Redukce pro nástrojové držáky pro stroje Biglia:
Určeno pro stroje:

Pro stažení souboru se prosím přihlašte. Pokud nemáte účet tak se nejprve registrujte.