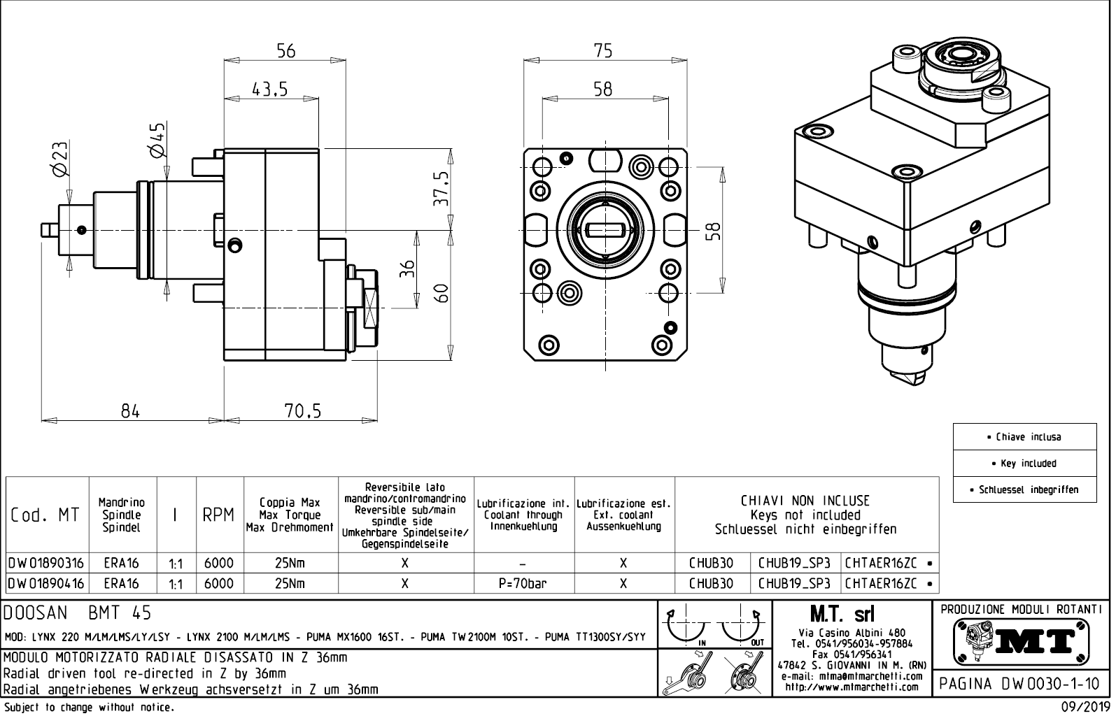
Radiální rotační držák nástrojů:
- max. 6.000 ot./min..
- převod 1:1.
- vnitřní (max.70bar) a venkovní přívod řezné kapaliny.
- upnutí nástroje pomocí: kleštiny ER / ERA
Určeno pro stroje:
- Doosan - série LYNX 220 M / LM / LMS / LY / LSY
- Doosan - série LYNX 2100 M / LM / LMS
- Doosan - série PUMA MX 1600 s 16-ti polohovou hlavou
- Doosan - série PUMA TW 2100 s 10-ti polohovou hlavou
- Doosan - série PUMA TT 1300 SY / SYY
- EMCO - série Hypeturn 45 (BMT45)
- MTRent - série T22Y/SY s 16-ti polohovou hlavou
- Nexturn - série NST 56 (BMT45 Duplomatic)
- Nexturn - série NST 67 (BMT45 Duplomatic)
- SMEC - série PL1600M/MC
- SMEC - série SL15MC
- Victor - série VTURN-NP16CM

Pro stažení souboru se prosím přihlašte. Pokud nemáte účet tak se nejprve registrujte.