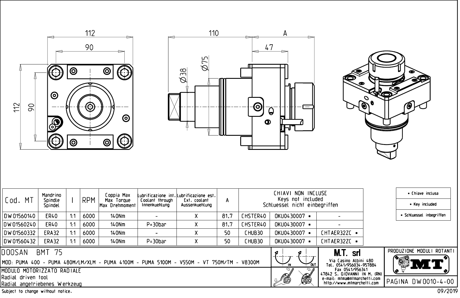
Radiální rotační držák nástrojů:
- max. 6.000 ot./min..
- převod 1:1.
- vnitřní (max.30bar) a venkovní přívod řezné kapaliny.
- upnutí nástroje pomocí: kleštiny ER / ERA.
Určeno pro stroje:
- série PUMA 400
- série PUMA 480 M / LM / XLM
- série PUMA 4100 M
- série PUMA 5100 M
- série V 550 M
- série VT 750 M / TM
- série V 8300 M

Pro stažení souboru se prosím přihlašte. Pokud nemáte účet tak se nejprve registrujte.