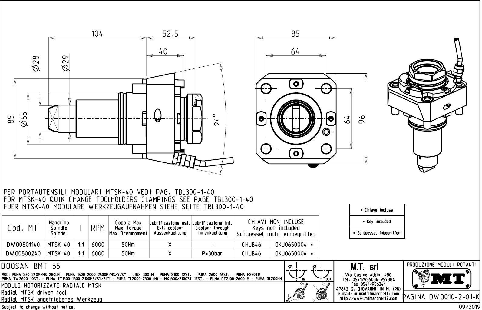
Radiální rotační držák nástrojů:
- max. 6.000 ot./min..
- převod 1:1.
- vnitřní (max.30bar) a venkovní přívod řezné kapaliny.
- upnutí nástroje pomocí: rychlovýměnného modulárního systému MTSK.
Určeno pro stroje:
- Doosan - série PUMA MX 2100 s 12-ti polohovou hlavou
- Doosan - série PUMA MX 2600 s 16-ti polohovou hlavou
- Doosan - série PUMA MX 1600 / 2100 ST s 12-ti polohovou hlavou
- Doosan - série PUMA 230 - 240 M / MS
- Doosan - série PUMA 280 LM
- Doosan - série PUMA 1500 / 2000 / 2500 M / MS / Y / SY
- Doosan - série PUMA H250 TM
- Doosan - série PUMA TW 2600 10-ti polohovou hlavou
- Doosan - série PUMA TT 1500 / 1800 / 2100 MS / SY / SYY
- Doosan - série PUMA TL 2000 / 2500
- Doosan - série PUMA GT 2100 / 2600 M
- Doosan - série PUMA QL 200 HM
- Doosan - série LINX 300 M
- Goodway - série GTX2000 / GTX2600 s 16-ti polohovou hlavou
- Goodway - série GTZ2000 / GTZ2600 s 16-ti polohovou hlavou
- Hwacheon - série C1 (BMT55)
- Hwacheon - série CUTEX-160 / CUTEX-180
- Hyundai WIA (Kia) - série HD2200M / HD2600M (BMT55)
- Hyundai WIA (Kia) - série L160LMSA / L230LMSA
- Hyundai WIA (Kia) - série LM1600TTMS / LM160TTSY / LM1800TTMS / LM1800TTSY
- Hyundai WIA (Kia) - série SKT160TTMS / SKT160TTSY / SKT180TTMS / SKT180TTSY
- Chiah Chyun - série WTS-52/65 Y2M 16ST
- SMEC - série PL240 LM / PL250 VM
- SMEC - série SL1500 M / SL1500 SY / SL1500 Y / SL2000 M / SL2000 SY / SL2000 Y
- Victor - série VTURN-A16 CM / SCM / YCM / YSCM
- Victor - série VTURN-A20 CM / SCM / YCM / YSCM
- Victor - série VTURN-NP20CM
- Victor - série VTURN-Q200
- YCM - série NT2000 s 16-ti polohovou hlavou

Pro stažení souboru se prosím přihlašte. Pokud nemáte účet tak se nejprve registrujte.