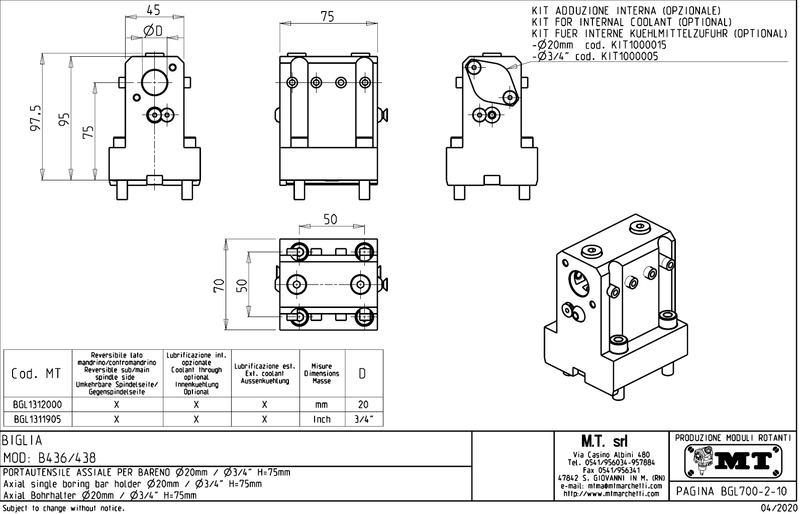
Axiální pevný držák nástrojů pro vnější soustružení:
- venkovní přívod řezné kapaliny.
- pro upnutí vnějších nožů.
Určeno pro stroje:
- Biglia - série B 436 / 438

Pro stažení souboru se prosím přihlašte. Pokud nemáte účet tak se nejprve registrujte.
Axiální pevný držák nástrojů pro vnější soustružení:
Určeno pro stroje:

Pro stažení souboru se prosím přihlašte. Pokud nemáte účet tak se nejprve registrujte.