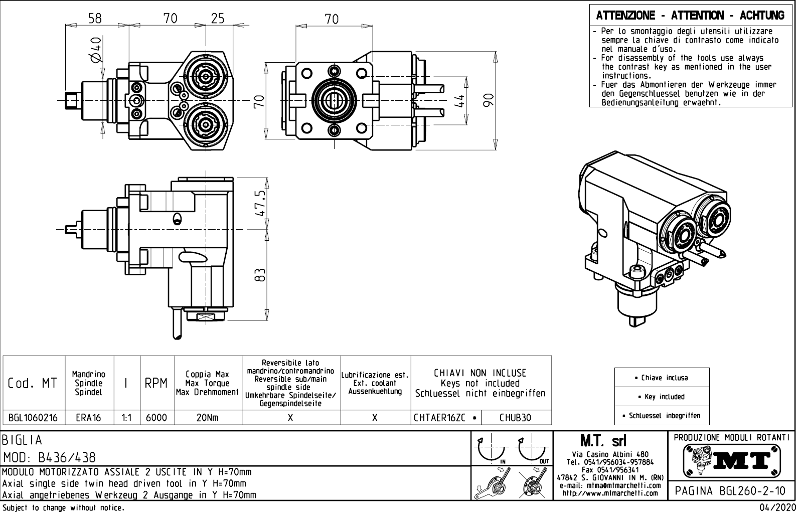
Axiální rotační držák nástrojů:
- max. 6.000 ot./min..
- převod 1:1.
- venkovní přívod řezné kapaliny.
- upnutí nástroje pomocí: kleštiny ER / ERA.
Určeno pro stroje:
- Biglia - série B 436 / 438

Pro stažení souboru se prosím přihlašte. Pokud nemáte účet tak se nejprve registrujte.