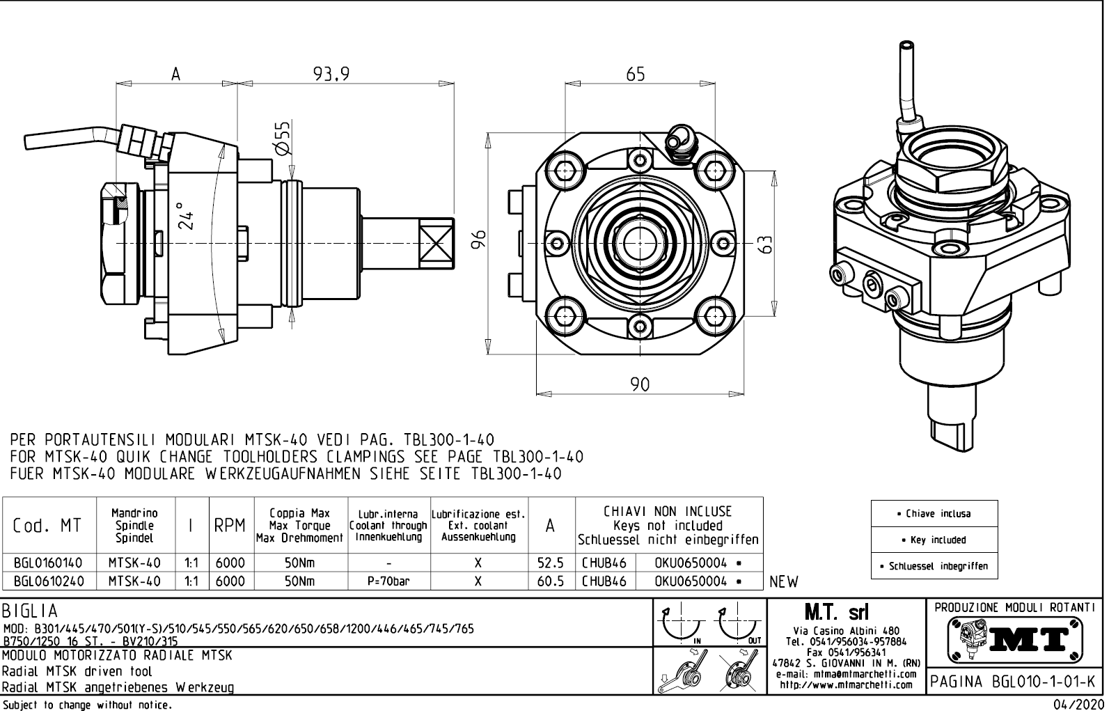
Radiální rotační držák nástrojů:
- max. 6.000 ot./min..
- převod 1:1.
- vnitřní (max.30bar) a venkovní přívod řezné kapaliny.
- upnutí nástroje pomocí: rychlovýměnného modulárního systému MTSK.
Určeno pro stroje:
- Biglia - série B 301 / 445 / 470 / 501 (Y-S) / 510 / 545 / 550 / 565 / 620 / 650 / 658 / 1200 / 446 / 465 / 745 / 765
- Biglia - série B 750 / 1250 s 16-ti polohovou hlavou
- Biglia - série BV 210 / 315

Pro stažení souboru se prosím přihlašte. Pokud nemáte účet tak se nejprve registrujte.